Curiosii for ever!
: Car repair manuals for everyone.
Home
>>
Ford Truck
>>
2005
>>
Ranger 2WD L4-2.3L VIN D
>>
Repair and Diagnosis
>>
Diagrams
>>
Exploded Views
>>
Engine
>>
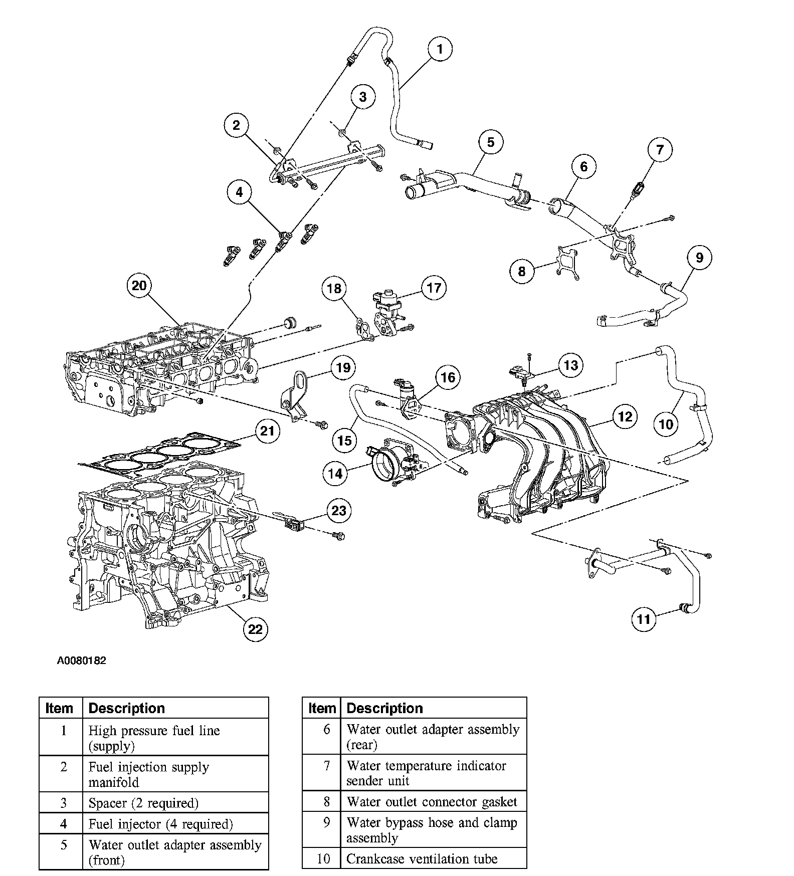
Intake Manifold
Intake Manifold