Curiosii for ever!
: Car repair manuals for everyone.
Home
>>
Ford Truck
>>
2005
>>
Excursion 2WD V10-6.8L VIN S
>>
Repair and Diagnosis
>>
Specifications
>>
Mechanical Specifications
>>
Suspension
>>
System Specifications
>>
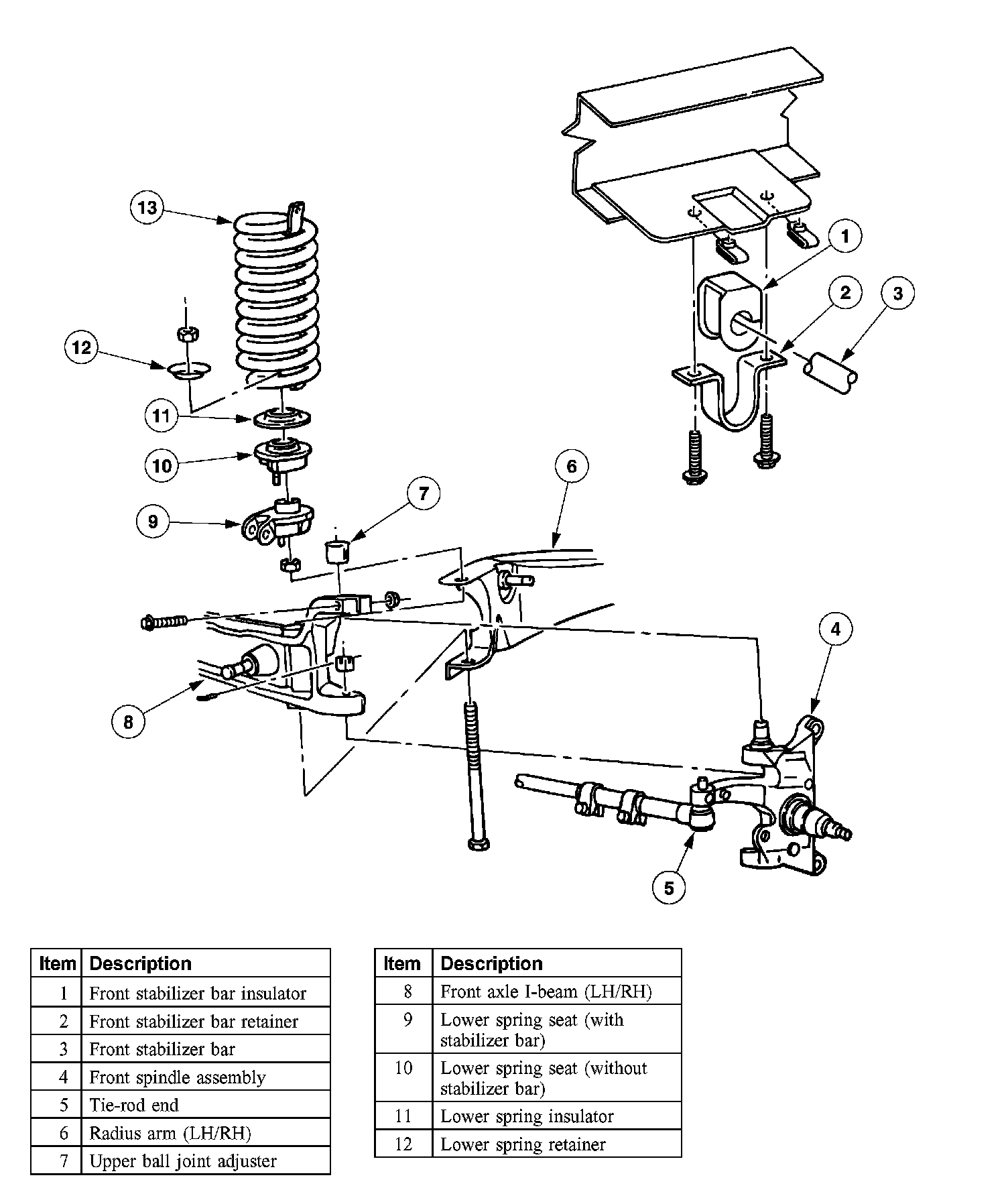
Front Suspension-Exploded View
Front Suspension-Exploded View