Curiosii for ever!
: Car repair manuals for everyone.
Home
>>
Ford Truck
>>
2004
>>
Freestar V6-4.2L VIN 2
>>
Repair and Diagnosis
>>
Diagrams
>>
Exploded Views
>>
Engine
>>
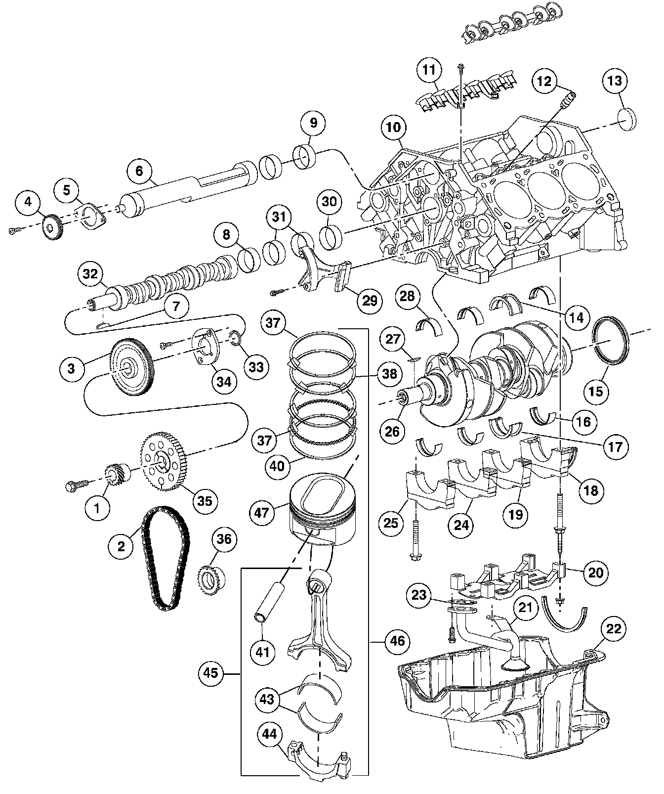
Engine-Lower Components
Engine-Lower Components
Engine-Lower Components Part 1 Of 3:
Engine-Lower Components Part 2 Of 3:
Engine-Lower Components Part 3 Of 3: