Curiosii for ever!
: Car repair manuals for everyone.
Home
>>
Ford Truck
>>
2004
>>
Freestar V6-4.2L VIN 2
>>
Repair and Diagnosis
>>
Diagrams
>>
Exploded Views
>>
Automatic Transmission/Transaxle
>>
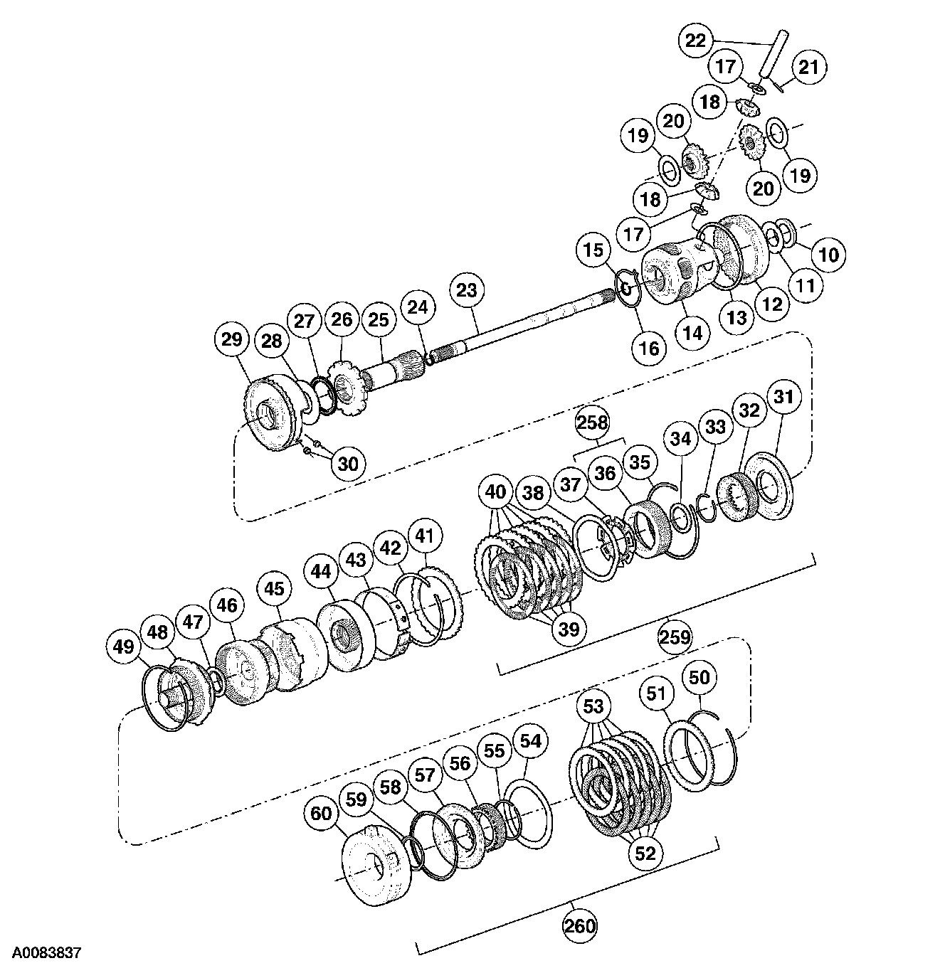
Disassembled Views
Disassembled Views
Disassembled Views
Part 1 Of 10:
Part 2 Of 10:
Part 3 Of 10:
Part 4 Of 10:
Part 5 Of 10:
Part 6 Of 10:
Part 7 Of 10:
Part 8 Of 10:
Part 9 Of 10:
Part 10 Of 10: