Curiosii for ever!
: Car repair manuals for everyone.
Home
>>
Ford Truck
>>
2004
>>
Explorer 2WD V6-4.0L VIN E
>>
Repair and Diagnosis
>>
Heating and Air Conditioning
>>
Testing and Inspection
>>
Pinpoint Tests
>>
Connector Circuit Reference
>>
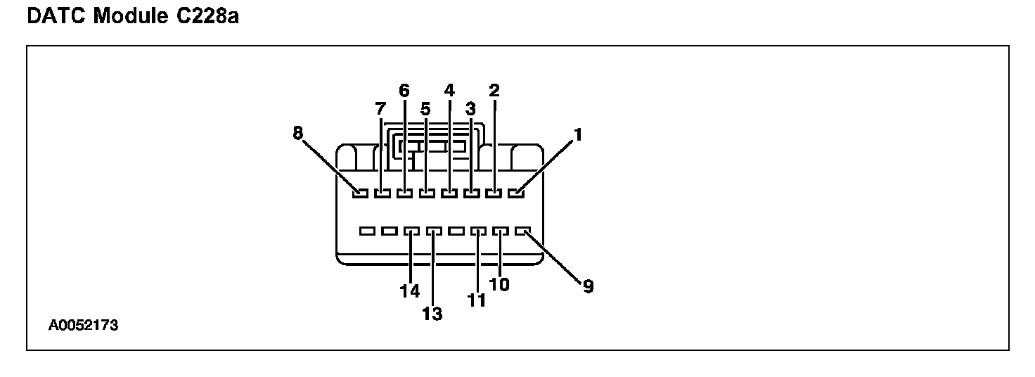
DATC Module C228a
DATC Module C228a
DATC Module C228a, Part 1:
DATC Module C228a, Part 2: