Curiosii for ever!
: Car repair manuals for everyone.
Home
>>
Ford Truck
>>
2004
>>
Excursion 2WD V8-6.0L DSL Turbo VIN P
>>
Repair and Diagnosis
>>
Powertrain Management
>>
Computers and Control Systems
>>
Relays and Modules - Computers and Control Systems
>>
Engine Control Module
>>
Locations
>>
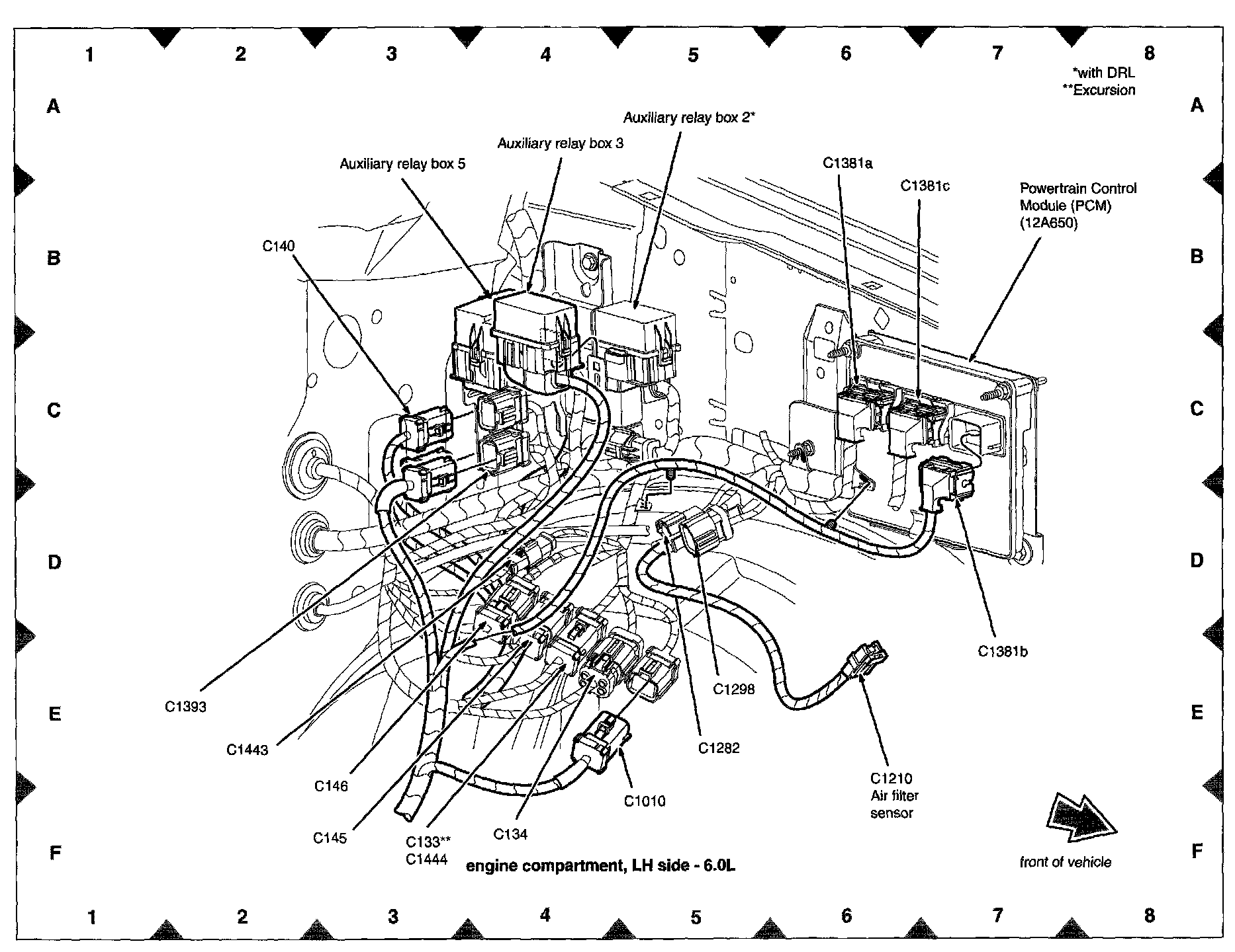
Powertrain Control Module (PCM)
Powertrain Control Module (PCM)
View 151-20: