Curiosii for ever!
: Car repair manuals for everyone.
Home
>>
Ford Truck
>>
2004
>>
Excursion 2WD V8-5.4L SOHC VIN L
>>
Repair and Diagnosis
>>
Diagrams
>>
Exploded Views
>>
Engine
>>
Induction System
Induction System
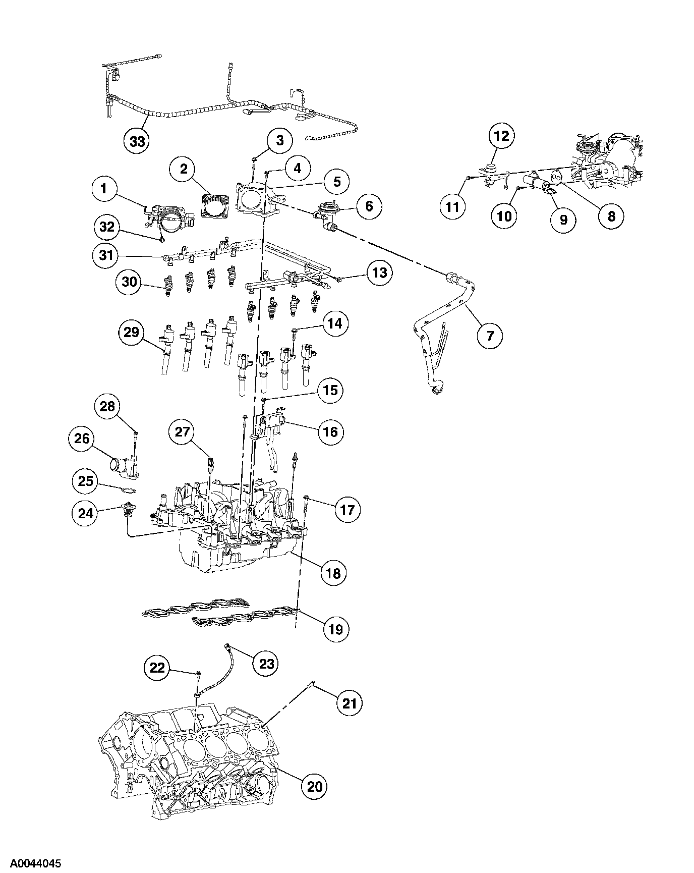
5.4L Engine Induction System