Curiosii for ever!
: Car repair manuals for everyone.
Home
>>
Ford Truck
>>
2004
>>
Excursion 2WD V10-6.8L VIN S
>>
Repair and Diagnosis
>>
Diagrams
>>
Components
>>
Component Location Views
>>
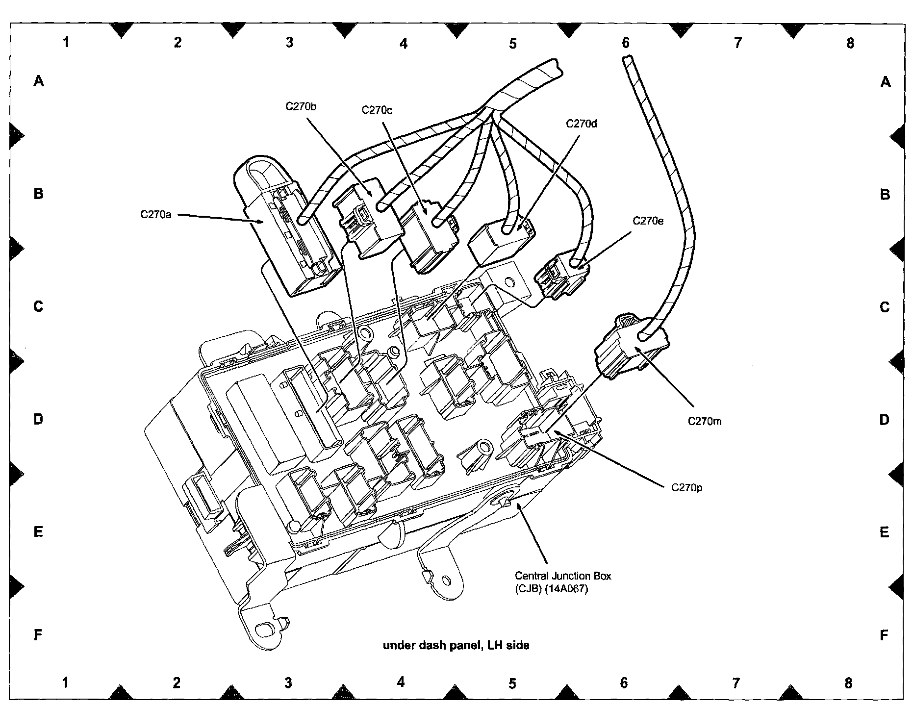
View 151-32
View 151-32
View 151-32: