Curiosii for ever!
: Car repair manuals for everyone.
Home
>>
Ford Truck
>>
2003
>>
Windstar V6-3.8L VIN 4
>>
Repair and Diagnosis
>>
Powertrain Management
>>
Computers and Control Systems
>>
Relays and Modules - Computers and Control Systems
>>
Body Control Module
>>
Locations
>>
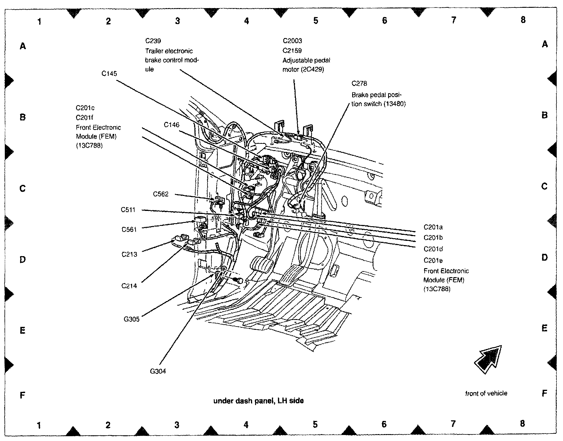
Front Electronic Module (FEM)
Front Electronic Module (FEM)
View 151-10: