Curiosii for ever!
: Car repair manuals for everyone.
Home
>>
Ford Truck
>>
2003
>>
Explorer AWD V8-4.6L VIN W
>>
Repair and Diagnosis
>>
Diagrams
>>
Exploded Views
>>
Automatic Transmission/Transaxle
>>
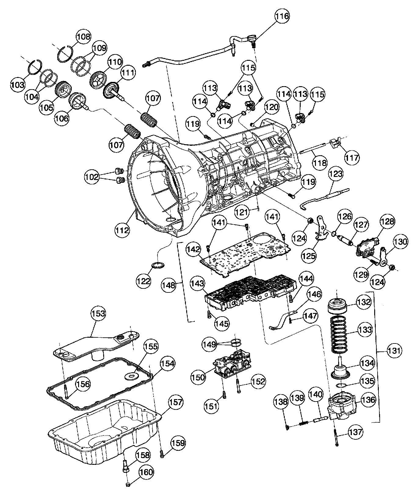
System Diagram
System Diagram
Disassembled Views