Curiosii for ever!
: Car repair manuals for everyone.
Home
>>
Ford Truck
>>
2003
>>
Explorer AWD V8-4.6L VIN W
>>
Repair and Diagnosis
>>
Brakes and Traction Control
>>
Antilock Brakes / Traction Control Systems
>>
Electronic Brake Control Module
>>
Locations
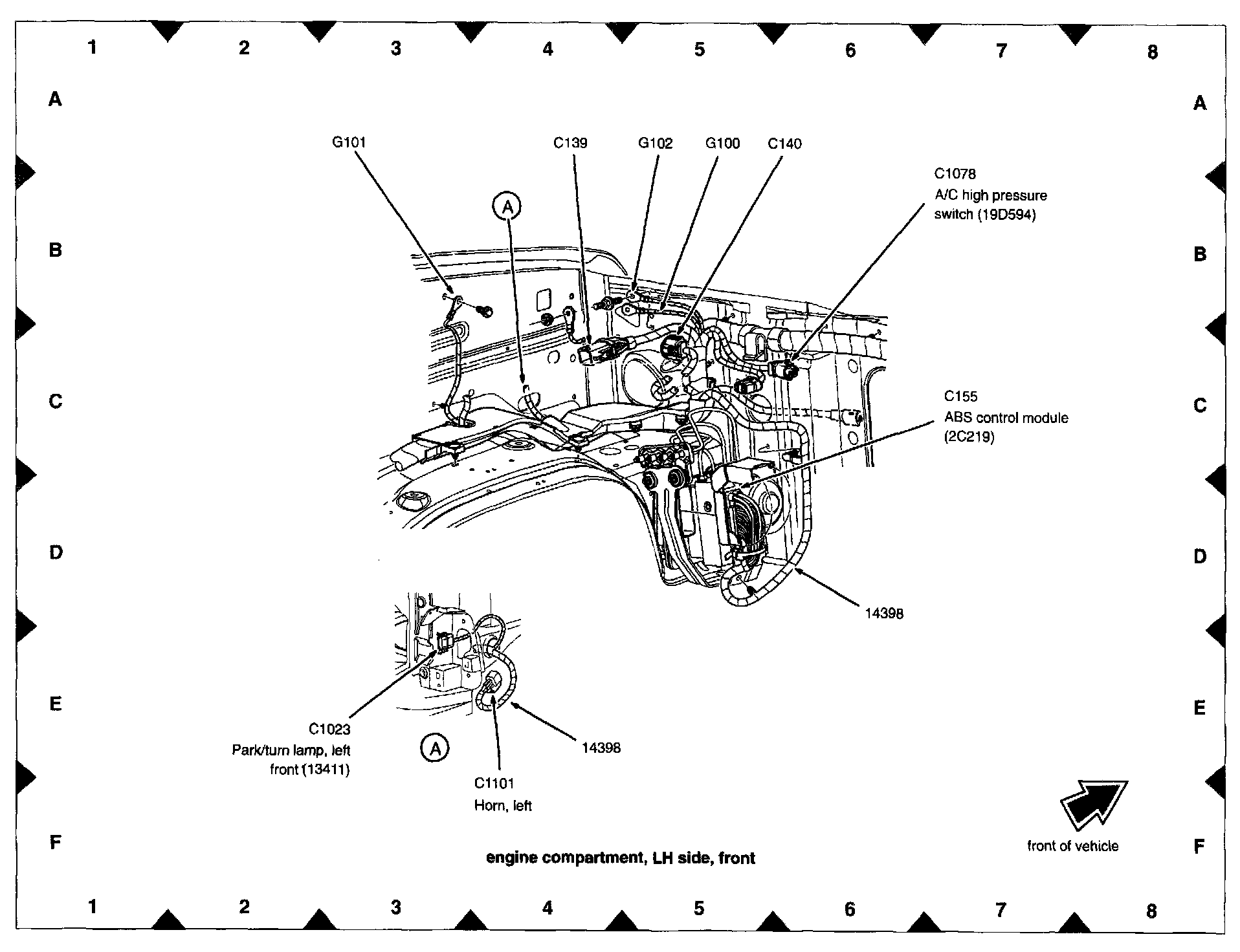
Electronic Brake Control Module: Locations
View 151-13: