Curiosii for ever!
: Car repair manuals for everyone.
Home
>>
Ford Truck
>>
2003
>>
Explorer AWD V8-4.6L VIN W
>>
Repair and Diagnosis
>>
Body and Frame
>>
Locks
>>
Power Locks
>>
Testing and Inspection
>>
Pinpoint Tests
>>
Connector Circuit Reference
>>
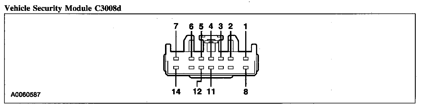
Vehicle Security Module C3008D
Vehicle Security Module C3008D
Vehicle Security Module C3008d, Part 1:
Vehicle Security Module C3008d, Part 2:
Vehicle Security Module C3008d, Part 3: