Curiosii for ever!: Car repair manuals for everyone.

Manual Transmission/Transaxle

Manual Transmission

Transmission Identification
All ZF transmissions are identified by the model and serial number. This information is on the transmission identification tag and affixed to the transmission case. Do not remove or destroy the transmission identification tag.

Part 1 Of 2:




Part 2 Of 2:





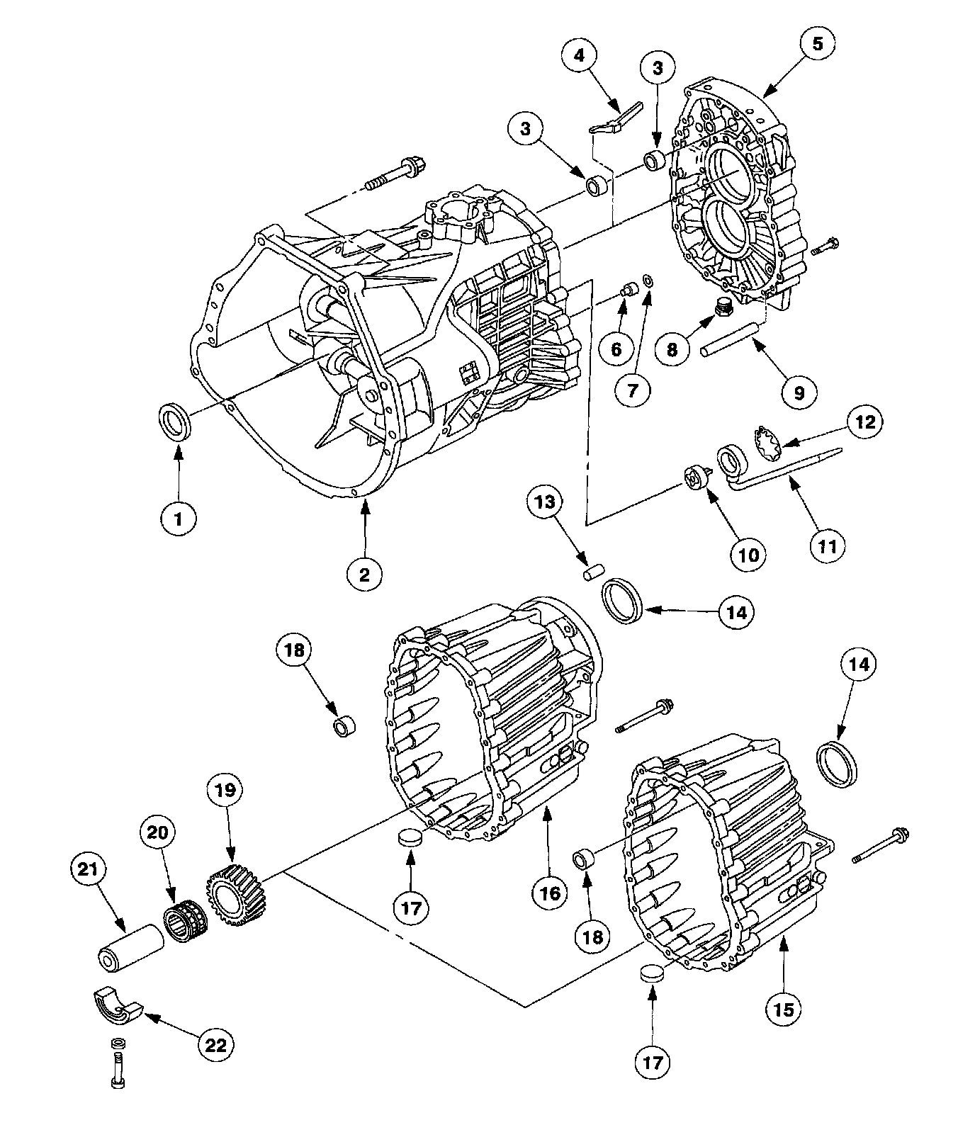
Transmission Internal Components-Disassembled view

Part 1 Of 2:




Part 2 Of 2:





Transmission Internal Components-Disassembled View

Part 1 Of 2:




Part 2 Of 2:





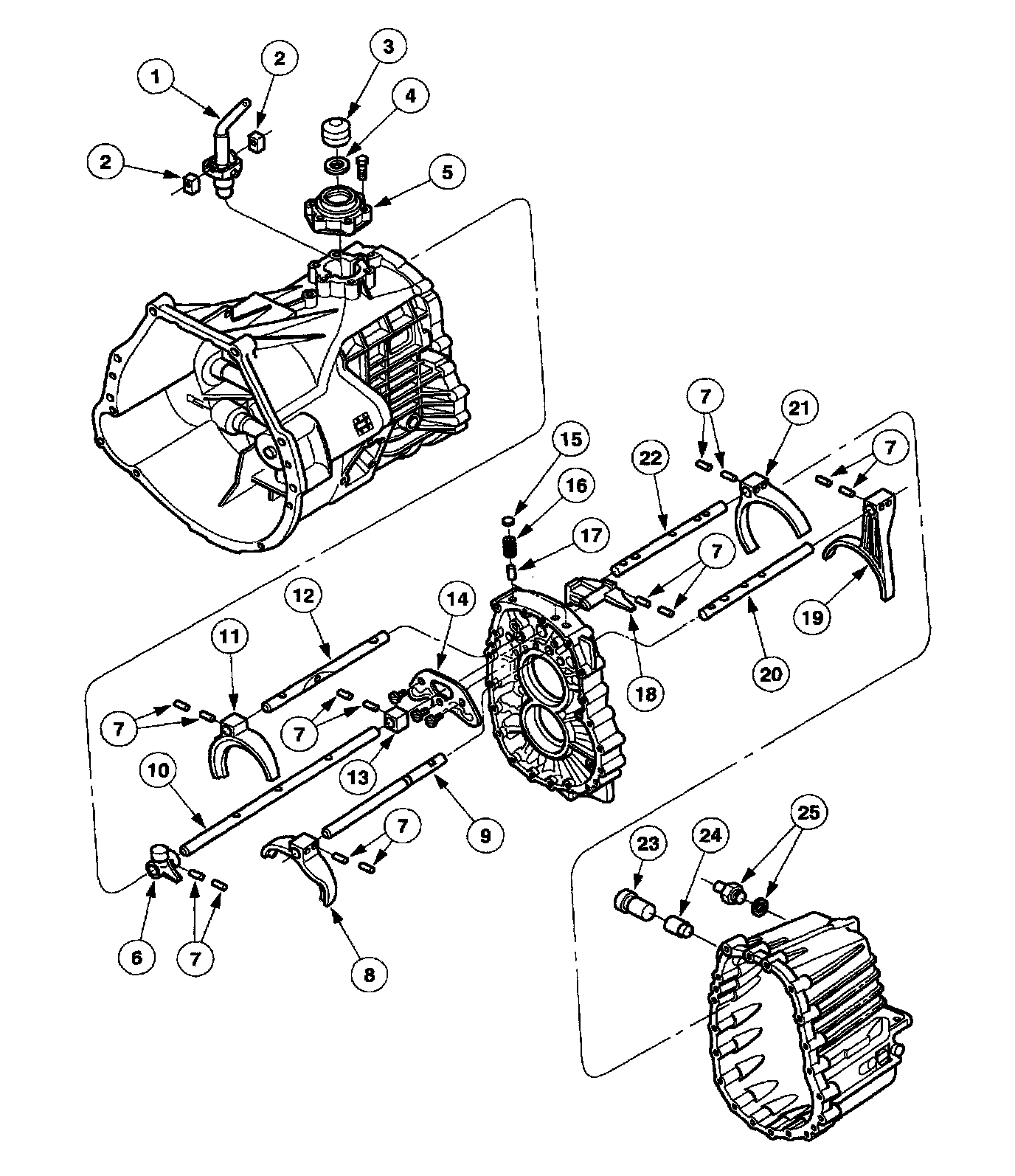
Transmission Shift Components-Disassembled View

Lubrication

CAUTION: Additives and friction modifiers are not recommended for use in ZF transmissions.