Curiosii for ever!
: Car repair manuals for everyone.
Home
>>
Ford Truck
>>
2002
>>
Windstar V6-3.8L VIN 4
>>
Repair and Diagnosis
>>
Diagrams
>>
Exploded Views
>>
Engine
>>
Lower End
Lower End
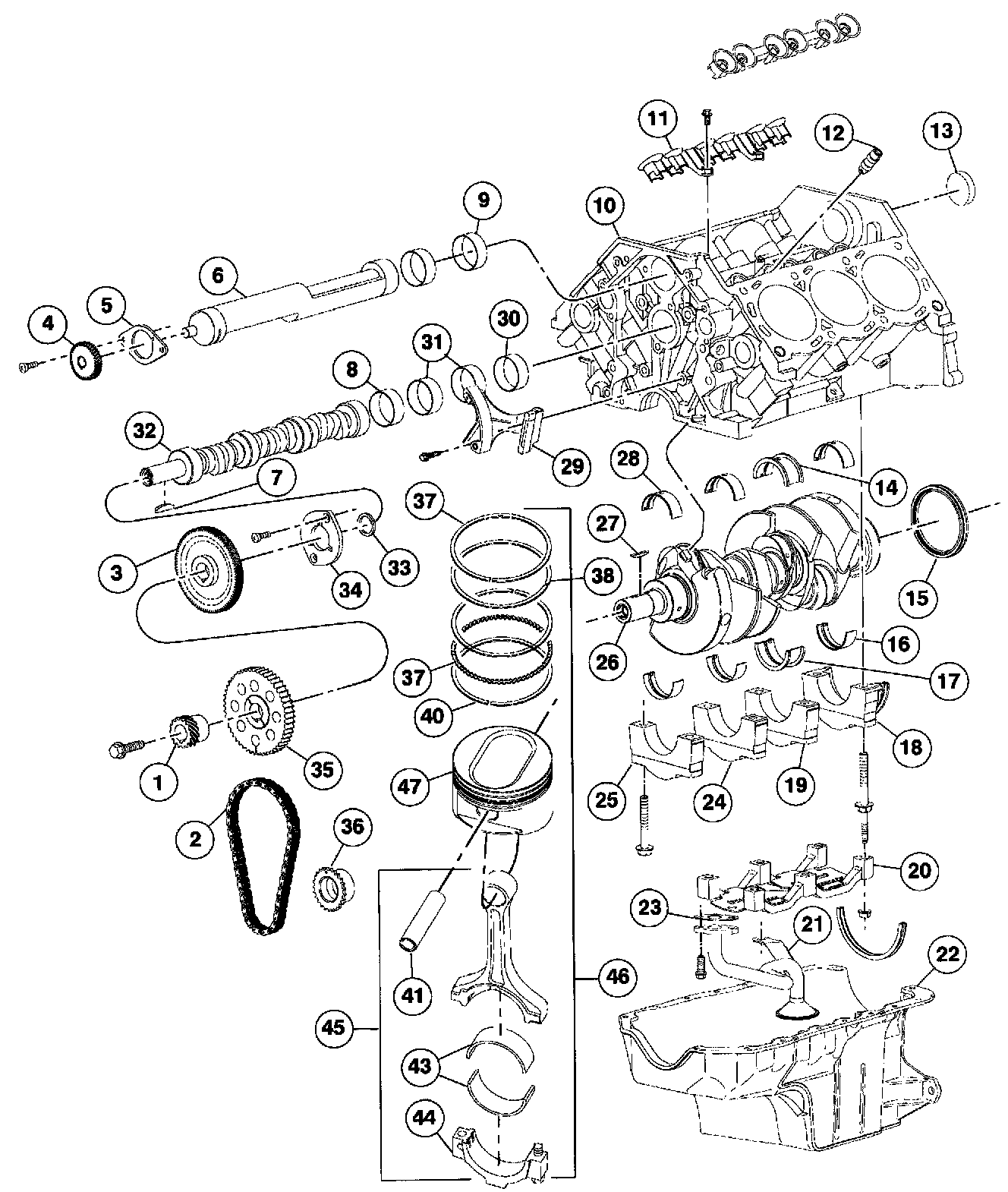
Engine-Lower Components
Part 1 of 2
Part 2 of 2