Curiosii for ever!
: Car repair manuals for everyone.
Home
>>
Ford Truck
>>
2002
>>
Explorer 2WD V6-4.0L VIN E
>>
Repair and Diagnosis
>>
Diagrams
>>
Electrical Diagrams
>>
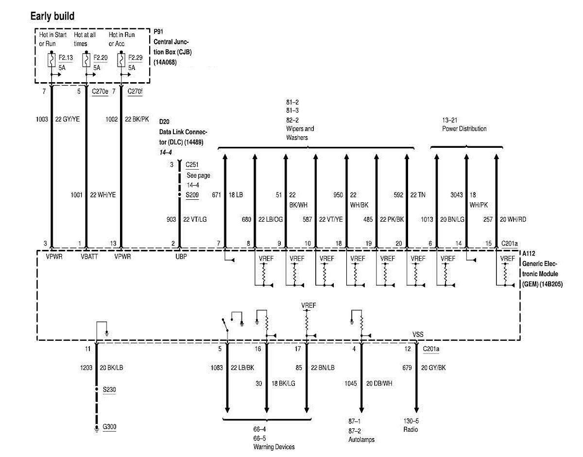
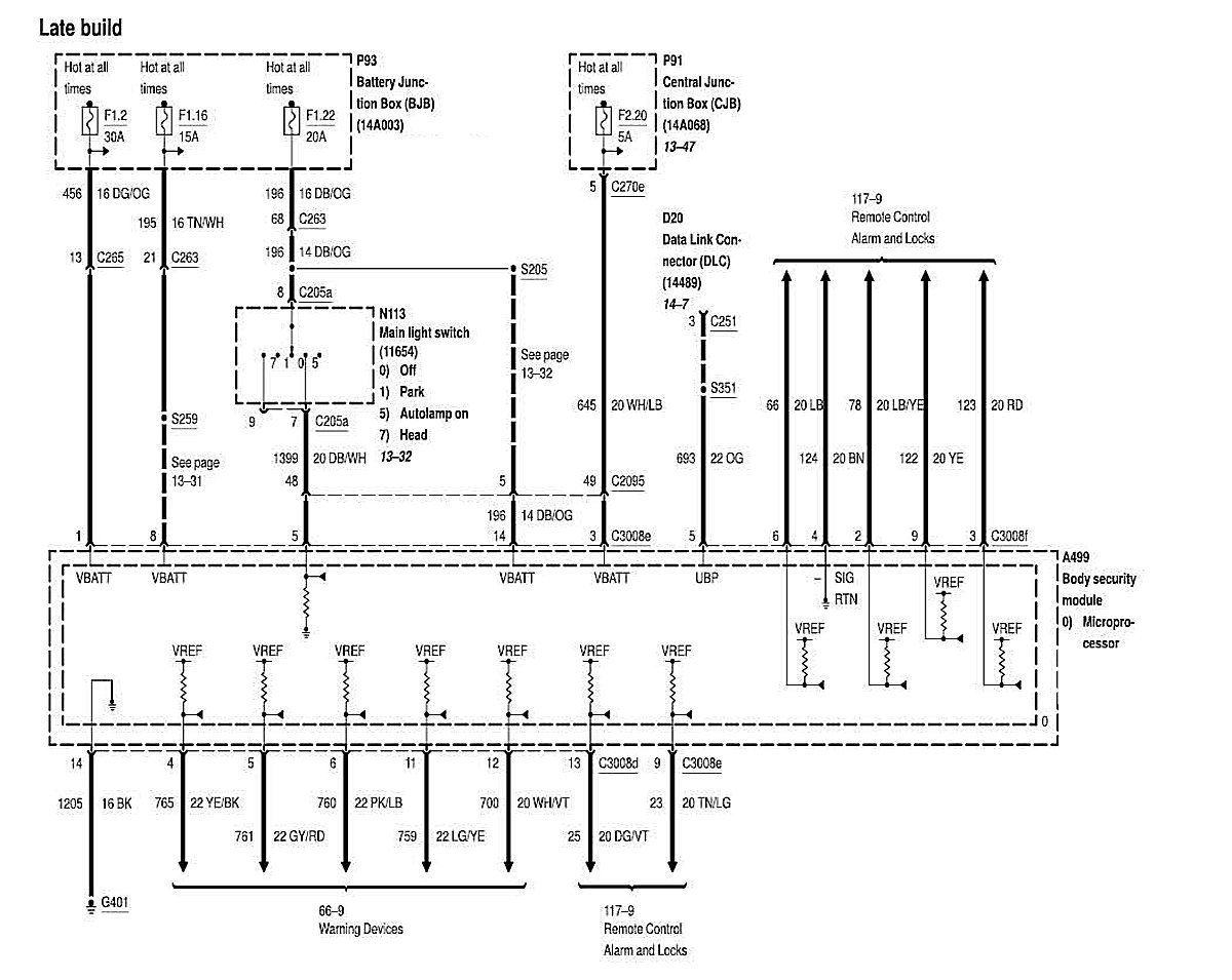
General Module
General Module
59-01:
59-02:
59-03:
59-04:
59-05:
59-06: