Curiosii for ever!: Car repair manuals for everyone.

Air Injection: Description and Operation

Overview

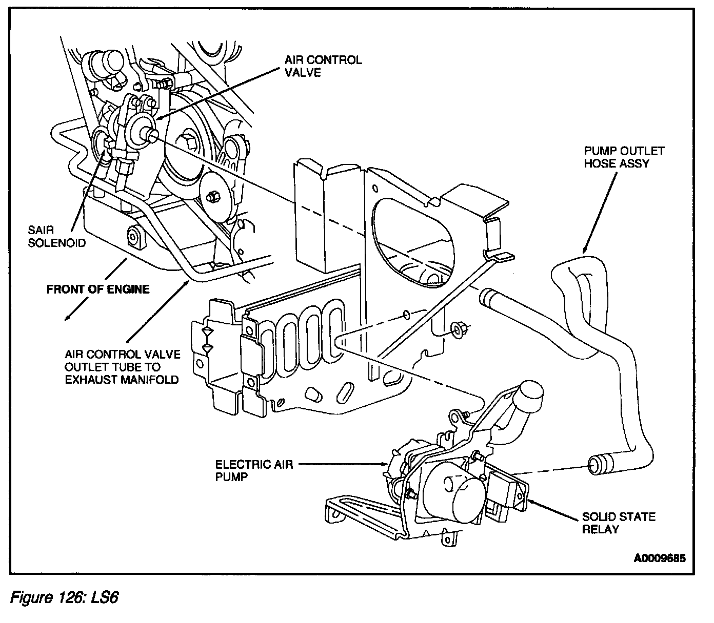
LS6 Secondary Air Injection System:






The Secondary Air Injection (AIR) system controls emissions during the first 20 to 120 seconds of engine operation by forcing air downstream into the exhaust manifolds to oxidize the hydrocarbons and carbon monoxide created by running rich at start up.

Electric Secondary Air Injection System

Dual Or Single AIRD Valve Electric Secondary Air Injection (AIR):






The Electric Secondary Air Injection (AIR) system consists of an electric AIR pump, single or dual combination check air injection diverter (AIR diverter) valve(s), an AIR bypass solenoid, a solid state relay, Powertrain Control Module (PCM) and connecting wires and vacuum hoses (Figure 120).
1. The PCM requires Engine Coolant Temperature (ECT), Intake Air Temperature (IAT) and Crankshaft Position (CKP) inputs to initiate Secondary Air Injection function.
2. When the engine is started, the strategy will determine when to enable the EAP. The PCM signals the solid state relay and the AIR bypass solenoid, after a (5 to 10) second delay, to begin system operation. Once the catalyst is lit-off, the PCM then signals the solid state relay to stop AIR pump operation and to close the AIR bypass solenoid from supplying vacuum to the AIR diverter valve(s).
3. The solid state relay provides the start-up signal and will switch the high current required to operate the AIR pump.
4. The AIR bypass solenoid applies a vacuum to the AIR diverter valve(s) causing it to open and to allow air to flow into the exhaust manifolds.
5. The vacuum check valve controls vacuum bleed-off to solenoid.
6. The function of the splash cap if equipped is to provide the AIR pump with a source of dry air.
7. The electric AIR pump delivers the required amount of air to control emissions during engine operation. Air is forced into the exhaust manifolds to oxidize the hydrocarbons and carbon monoxide created by running rich at start up.

Hardware

Electric AIR Pump

Electric Air Pump:






The electric AIR pump (Figure 121) provides pressurized air to the Secondary Air Injection system. The electric AIR pump functions independently of rpm and is controlled by the PCM. The electric AIR pump is only used for short periods of time. Delivery of air is dependent on the amount of system backpressure and system voltage. The inlet system of the AIR pump incorporates a non-serviceable filter and splash cap which helps to guard against dirt and water.

AIR Bypass Solenoid

Secondary Air Injection Bypass Solenoid:






The secondary air injection bypass (AIR bypass) solenoid (Figure 122) is used by the PCM to control vacuum to the secondary air injection diverter (AIR diverter) valve. The AIR bypass solenoid is a normally closed solenoid. The AIR bypass solenoid also has a filtered vent feature to permit vacuum release.

AIR Diverter Valve

Air Injection Diverter (AIR Diverter) Valve:






The secondary air injection diverter (AIR diverter) valve (Figure 123) is used with the electric AIR pump to provide on/off control of air to the exhaust manifold and catalytic converter. When the electric AIR pump is on and vacuum is supplied to the AIR diverter valve, air passes the integral check valve disk. When the electric AIR pump is off, and vacuum is removed from the AIR diverter valve, the integral check valve disk is held on the seat and stops air from being drawn into the exhaust system and prevents the back flow of the exhaust into the Secondary Air Injection System.

Solid State Relay

Solid State Relay:






The solid state relay (Figure 124) switches the high current required for operation of the electric AIR pump. Input control to the solid state relay comes from the powertrain control module (PCM).

Vacuum Check Valves

Vacuum Check Valve:






A vacuum check valve (Figure 125) blocks air flow in one direction. It allows free air flow in the other direction. The check side of this valve will hold the highest vacuum registered on the vacuum side.