Curiosii for ever!
: Car repair manuals for everyone.
Home
>>
Ford Truck
>>
2002
>>
Excursion 2WD V10-6.8L
>>
Repair and Diagnosis
>>
Diagrams
>>
Exploded Views
>>
Manual Transmission/Transaxle
>>
System Diagram
System Diagram
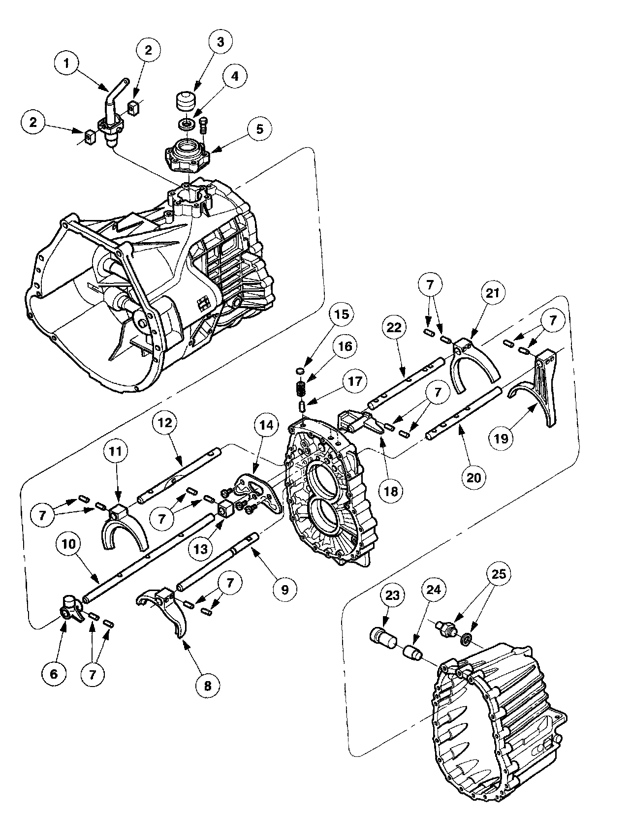
Manual Transmission
Item 1 - 43
Transmission Internal Components-Disassembled View
Item 1 - 22
Transmission Internal Components-Disassembled View
Item 1 - 25
Transmission Shift Components-Disassembled View