Curiosii for ever!
: Car repair manuals for everyone.
Home
>>
Ford Truck
>>
2001
>>
Ranger 2WD L4-2.3L VIN D
>>
Repair and Diagnosis
>>
Diagrams
>>
Exploded Views
>>
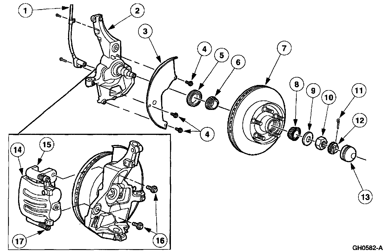
Disc Brake System
Disc Brake System
Front Disc Brake
Part 1 of 5
Part 2 of 5
Part 3 of 5
Part 4 of 5
Part 5 of 5