Curiosii for ever!
: Car repair manuals for everyone.
Home
>>
Ford Truck
>>
2001
>>
Excursion 2WD V10-6.8L VIN Z Bi-Fuel
>>
Repair and Diagnosis
>>
Powertrain Management
>>
Computers and Control Systems
>>
Testing and Inspection
>>
Pinpoint Tests
>>
Standard Models (Non Bi-Fuel) (Base Gasoline)
>>
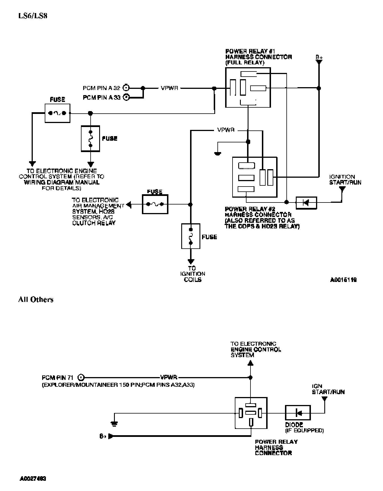
Test B: Electronic Engine Control (EC) Power Relay
Test B: Electronic Engine Control (EC) Power Relay
B INTRODUCTION:
B1 - B2:
B3 - B5:
B6 - B7: