Curiosii for ever!
: Car repair manuals for everyone.
Home
>>
Ford Truck
>>
2001
>>
Excursion 2WD V10-6.8L VIN S
>>
Repair and Diagnosis
>>
Powertrain Management
>>
Computers and Control Systems
>>
Information Bus
>>
Diagrams
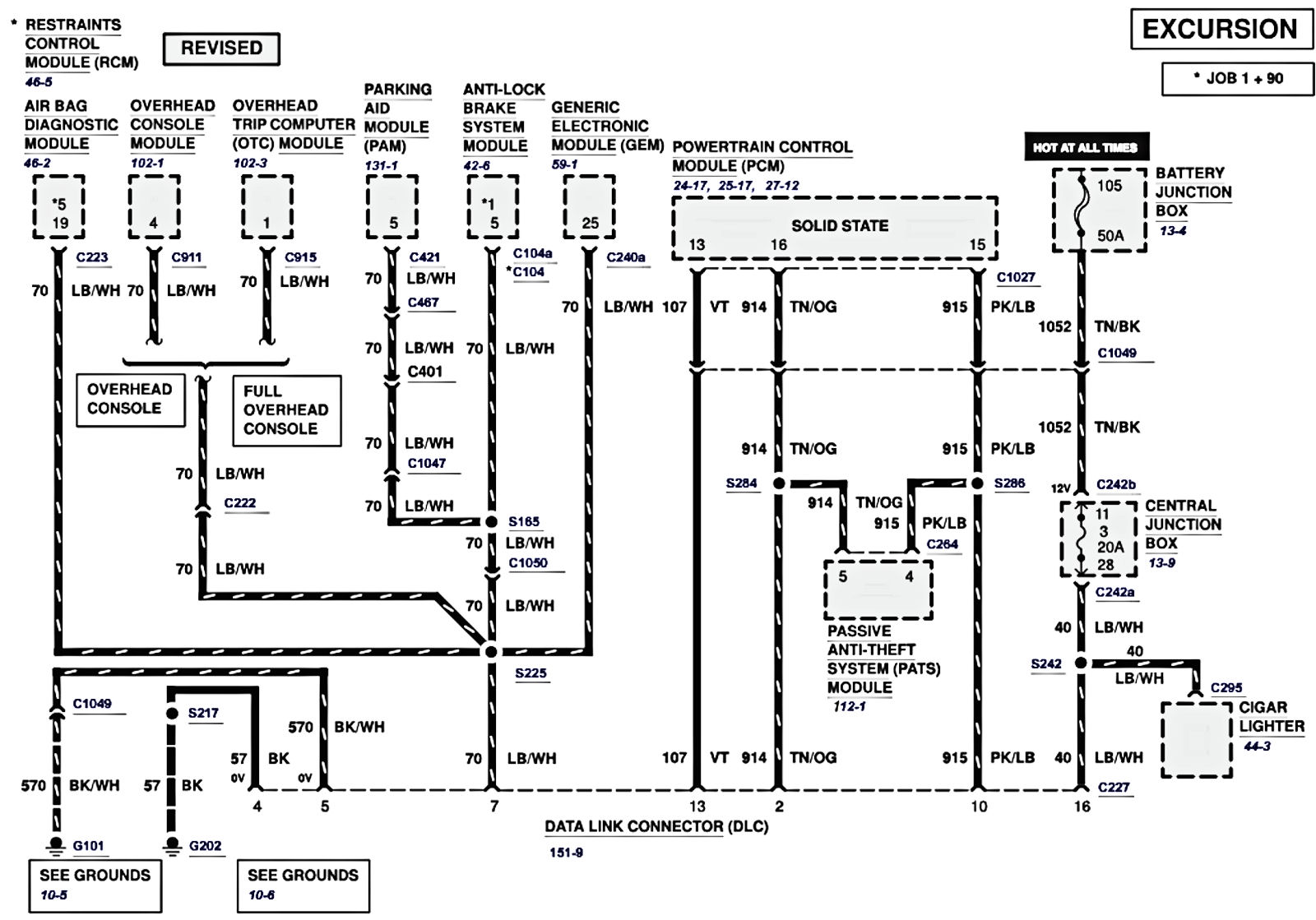
Information Bus: Diagrams
Diagram 14-1: