Curiosii for ever!
: Car repair manuals for everyone.
Home
>>
Ford Truck
>>
2001
>>
Excursion 2WD V10-6.8L VIN S
>>
Repair and Diagnosis
>>
Diagrams
>>
Exploded Views
>>
Manual Transmission/Transaxle
>>
Model S5-47 ZF
>>
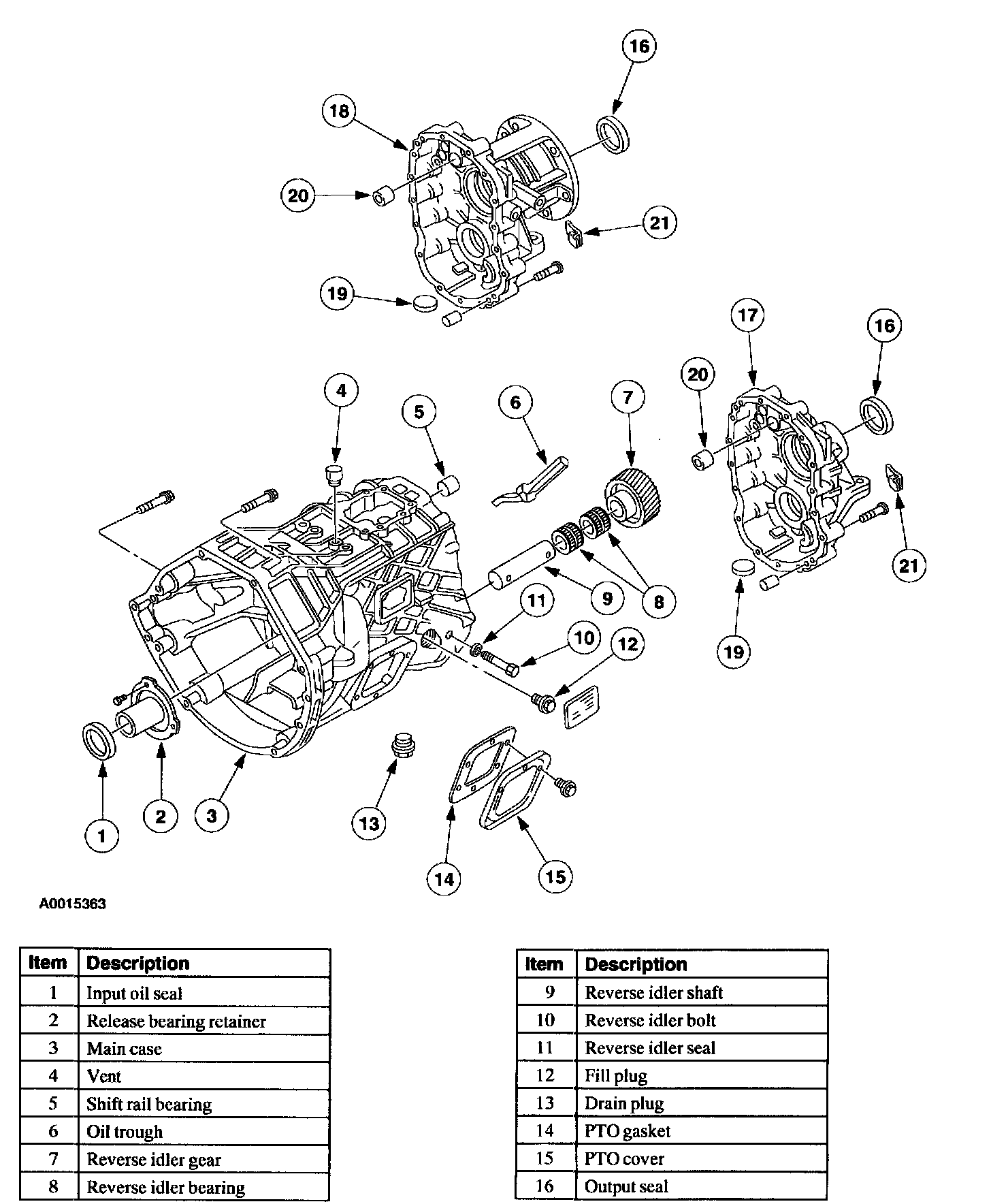
Transmission Internal Components-Disassembled View
Transmission Internal Components-Disassembled View
Transmission Internal Components-Disassembled View
Part 1 of 4
Part 2 of 4
Part 3 of 4
Part 4 of 4