Curiosii for ever!
: Car repair manuals for everyone.
Home
>>
Ford Truck
>>
2001
>>
Excursion 2WD V10-6.8L VIN S
>>
Repair and Diagnosis
>>
Diagrams
>>
Exploded Views
>>
Automatic Transmission/Transaxle
Automatic Transmission/Transaxle
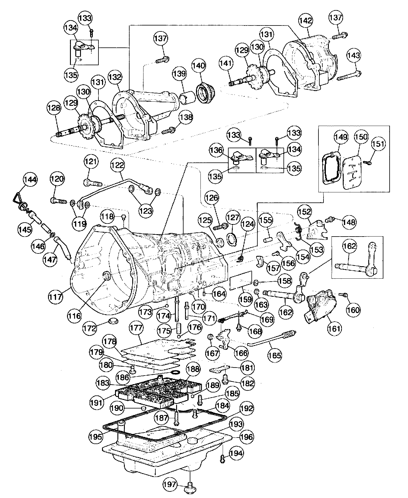
Transmission Disassembled Views
Part 1 of 8
Part 2 of 8
Part 3 of 8
Part 4 of 8
Part 5 of 8
Part 6 of 8
Part 7 of 8
Part 8 of 8