Curiosii for ever!
: Car repair manuals for everyone.
Home
>>
Ford Truck
>>
2000
>>
Excursion 2WD V10-6.8L VIN S
>>
Repair and Diagnosis
>>
Heating and Air Conditioning
>>
Refrigerant Pressure Sensor / Switch
>>
Locations
Refrigerant Pressure Sensor / Switch: Locations
Manual A/C Electrical Components:
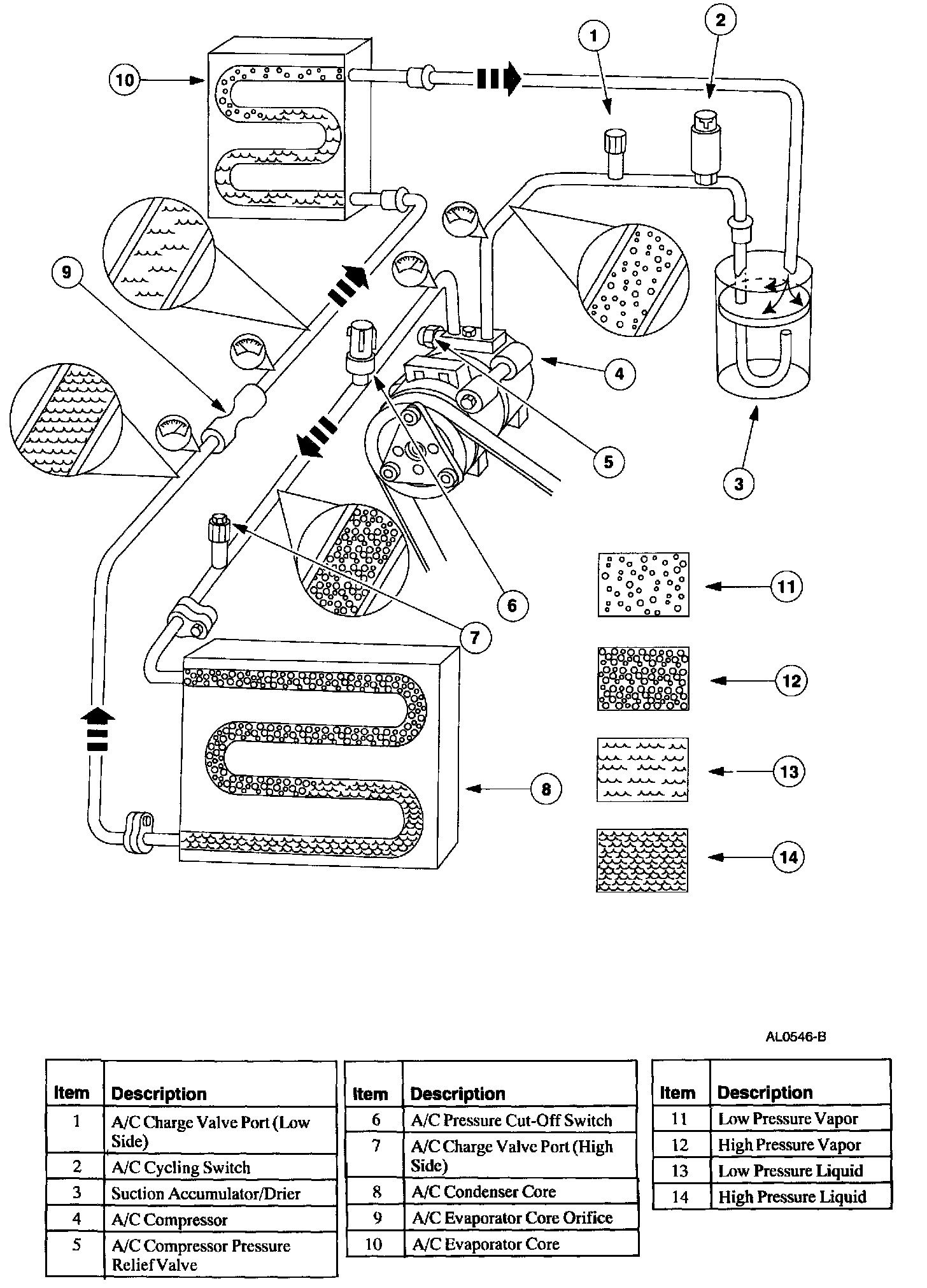
Refrigeration System Components - 5.4L And 6.8L (7.3L Diesel Similar):
Component Locations: