Curiosii for ever!
: Car repair manuals for everyone.
Home
>>
Ford Truck
>>
2000
>>
Excursion 2WD V10-6.8L VIN S
>>
Repair and Diagnosis
>>
Diagrams
>>
Exploded Views
>>
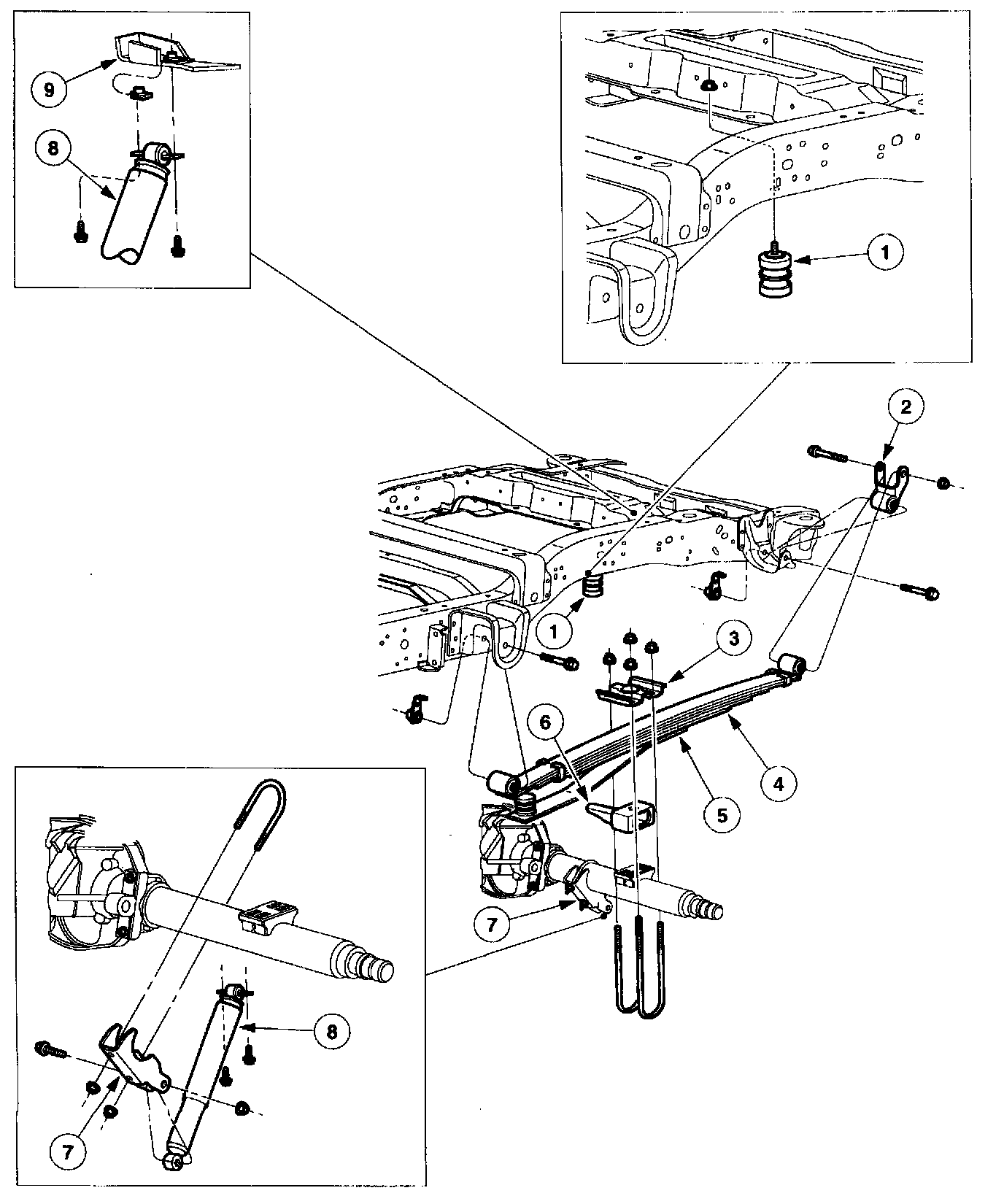
Suspension
>>
Rear
Rear