Curiosii for ever!: Car repair manuals for everyone.

Engine











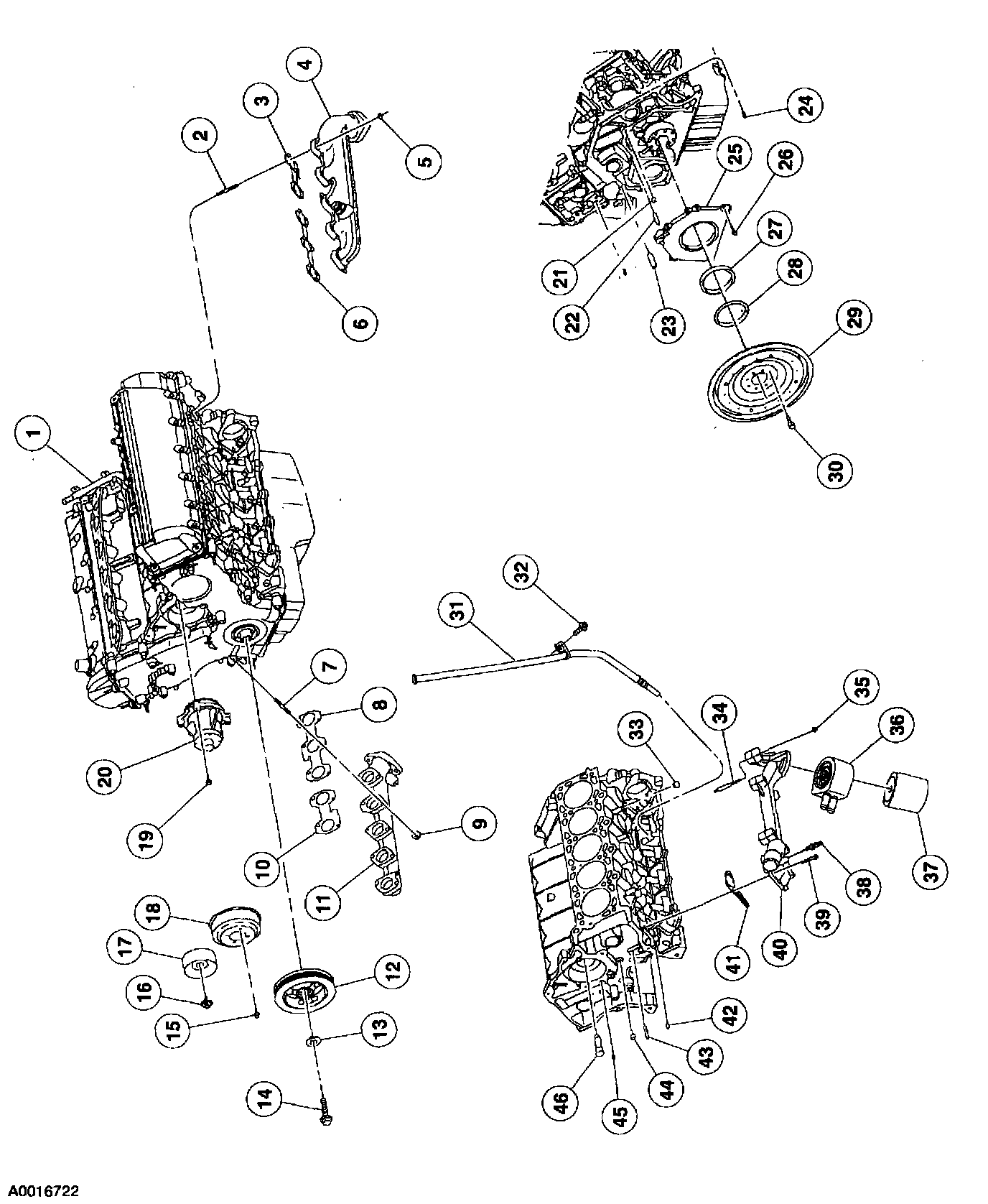
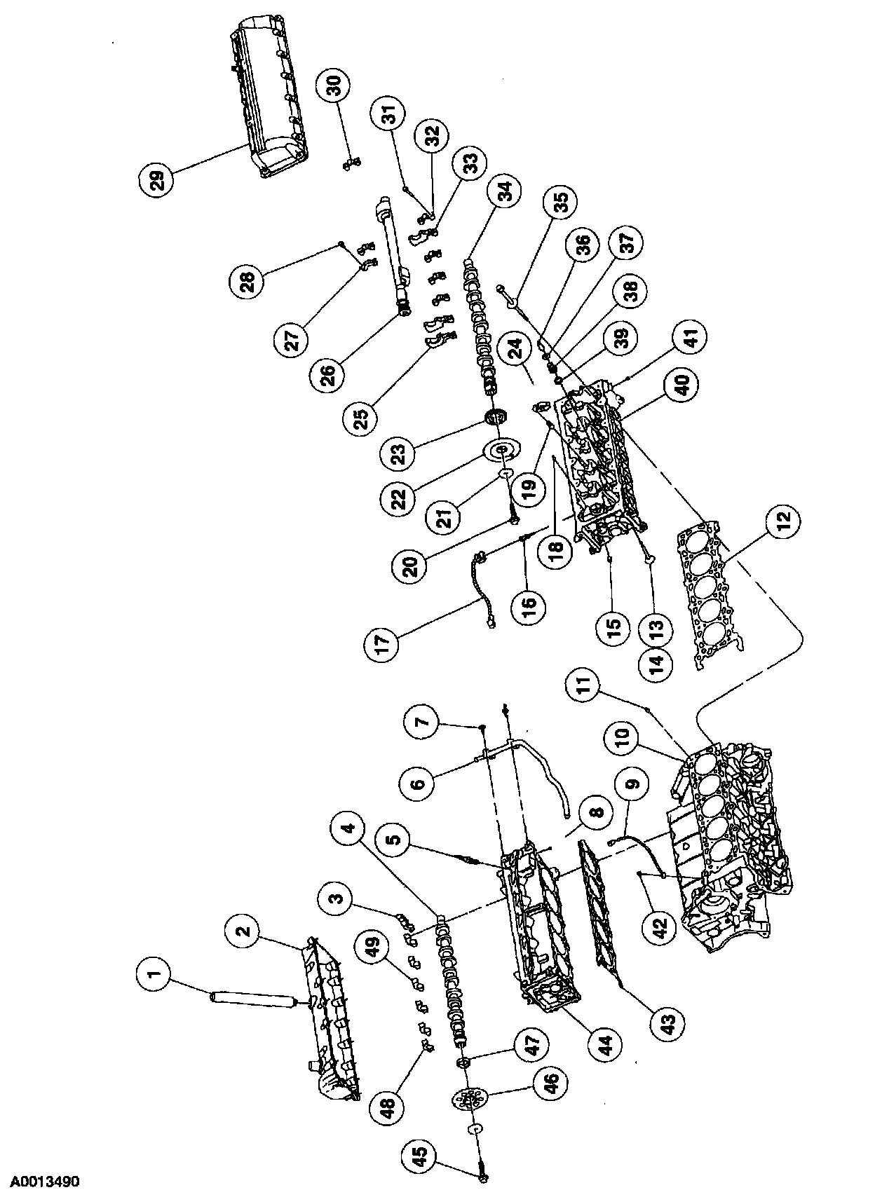
Engine Intake Components











Low End Components











Upper End Components








Major Exterior Components

Engine Component View
The concept of modularity allows engine designs to share concepts and hardware. The illustrations represent the basic cross sectional view of a modular V8 engine.
The four modules are:
^ intake module
^ cylinder head module (RH)
^ cylinder head module (LH)
^ lower engine module
Due to the modular design, most out-of-vehicle repairs benefit in reduction of time and labor needed to repair the engine.
Bi-fuel vehicles differ from gasoline vehicles through the addition of hardened valves and valve seats.
The basic engine components consist of:
^ single overhead camshafts
^ two valves per cylinder
^ balance shaft
^ sequential multiport fuel injection (SFI)
^ aluminum cylinder heads
^ cast-iron, 90 degree V-cylinder block
^ individual ignition coils for each spark plug
^ two-piece intake manifold system
^ composite-material lower intake manifold
^ large-bore throttle body