Curiosii for ever!
: Car repair manuals for everyone.
Home
>>
Ford Truck
>>
2000
>>
Excursion 2WD V10-6.8L VIN S
>>
Repair and Diagnosis
>>
Diagrams
>>
Exploded Views
>>
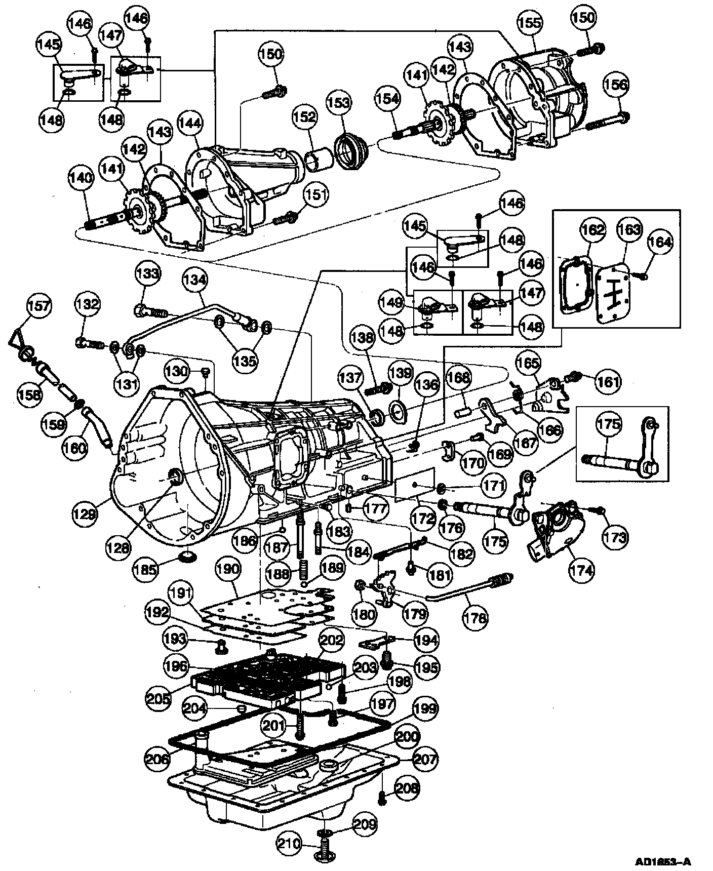
Automatic Transmission/Transaxle
Automatic Transmission/Transaxle
1 of 8
2 of 8
3 of 8
4 of 8
5 of 8
6 of 8
7 of 8
8 of 8