Curiosii for ever!
: Car repair manuals for everyone.
Home
>>
Ford Truck
>>
2000
>>
Econoline E250 3/4 Ton V6-4.2L VIN 2
>>
Repair and Diagnosis
>>
Relays and Modules
>>
Relays and Modules - Powertrain Management
>>
Relays and Modules - Computers and Control Systems
>>
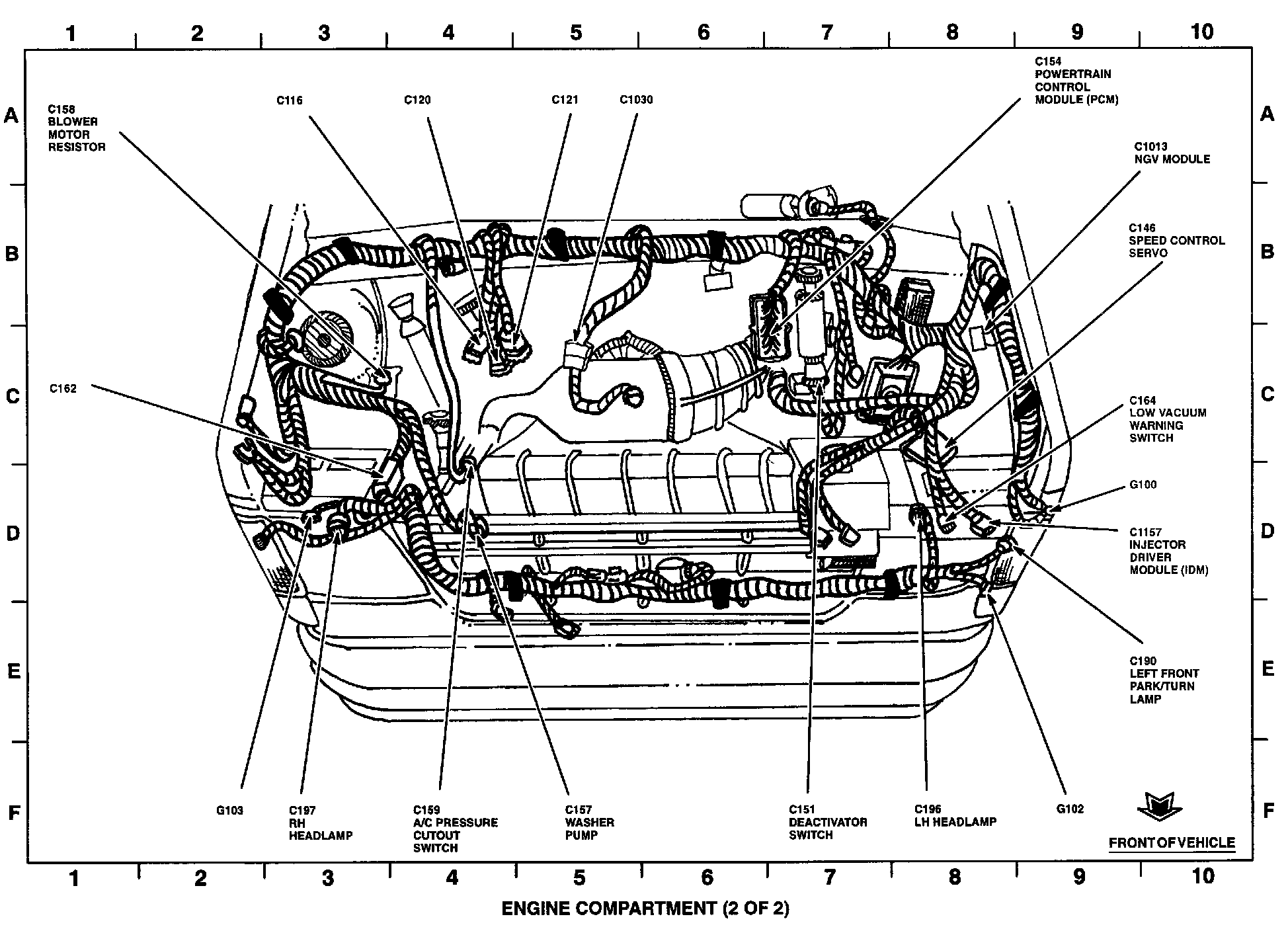
Engine Control Module
>>
Locations
Engine Control Module: Locations