Curiosii for ever!
: Car repair manuals for everyone.
Home
>>
Ford Truck
>>
1996
>>
Windstar V6-232 3.8L
>>
Repair and Diagnosis
>>
Diagrams
>>
Exploded Views
>>
Automatic Transmission/Transaxle
>>
System Diagram
>>
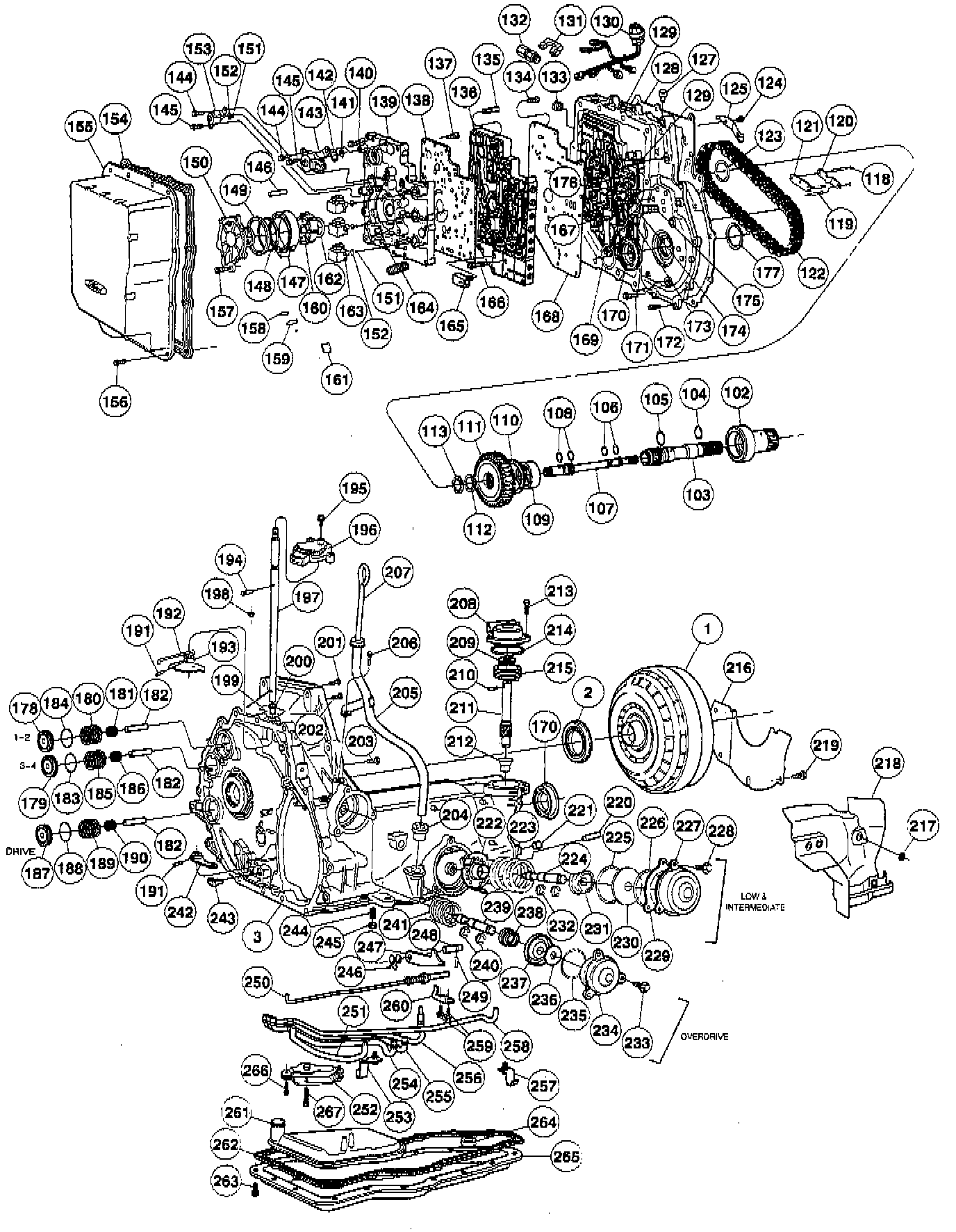
Transaxle Assembly
Transaxle Assembly
Part 1 Of 7:
Part 2 Of 7:
Part 3 Of 7:
Part 4 Of 7:
Part 5 Of 7:
Part 6 Of 7:
Part 7 Of 7: