Curiosii for ever!: Car repair manuals for everyone.

Generic Electronic Module

GEM Power And Ground System:





Warning Lamps And Chimes Part 1 Of 2:





Warning Lamps And Chimes Part 2 Of 2:





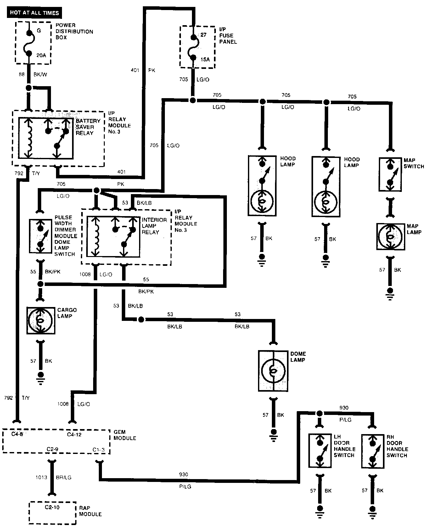
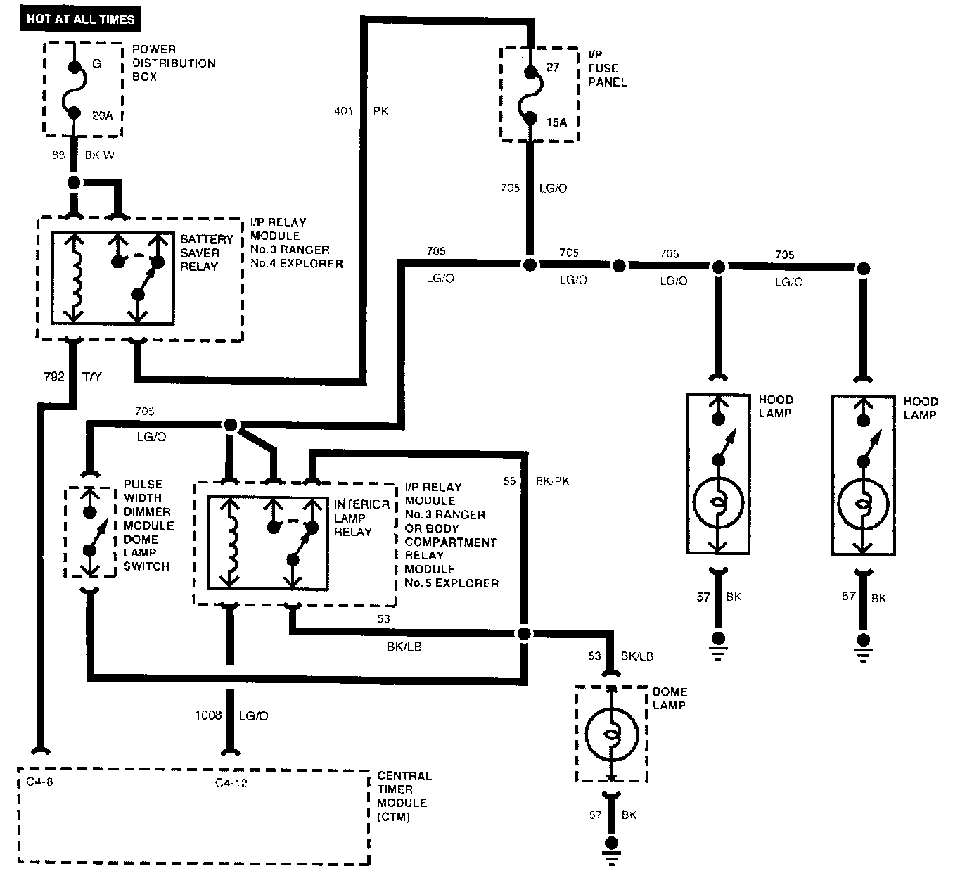
Battery Saver, Illuminated Entry And Interior Lamps:





Battery Saver And Interior Illumination:





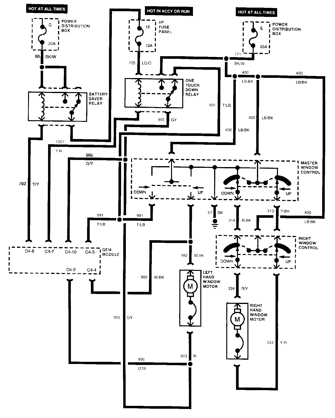
One Touch Power Windows:





Front Wiper/Washer System:





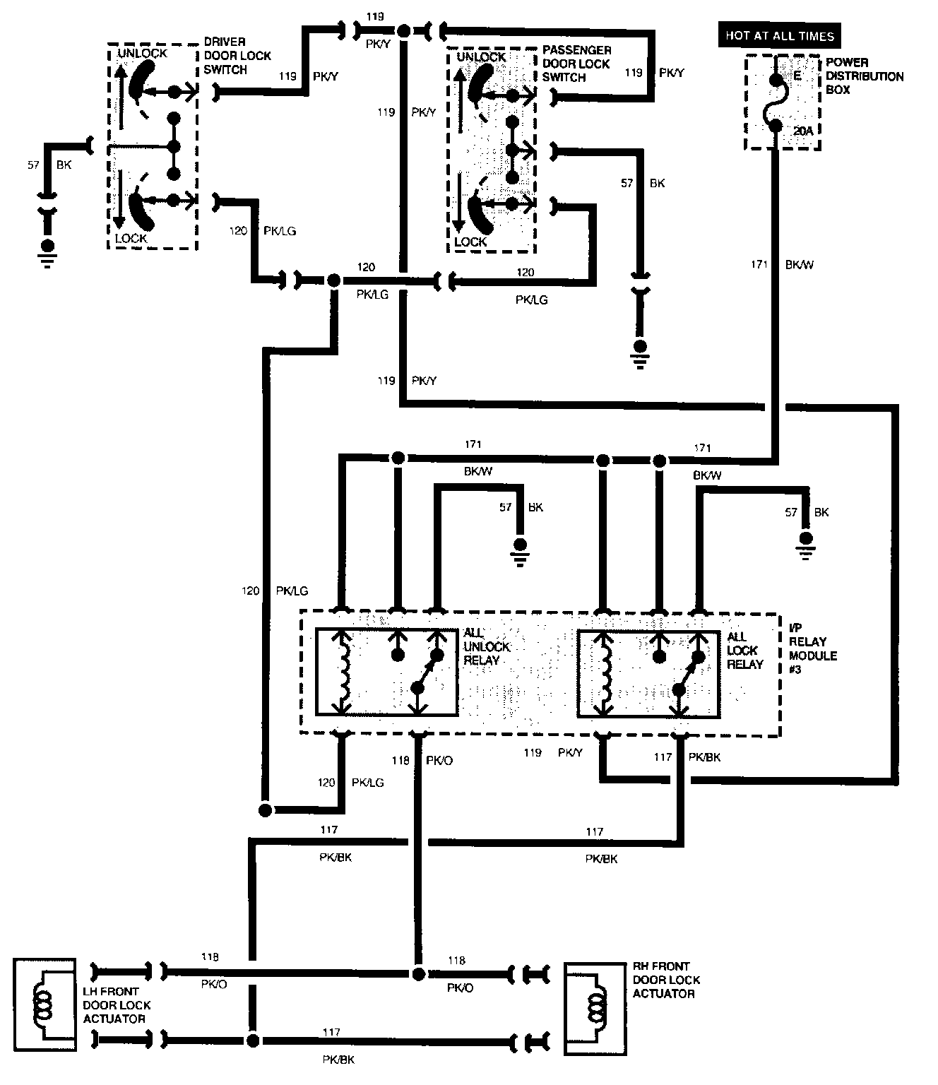
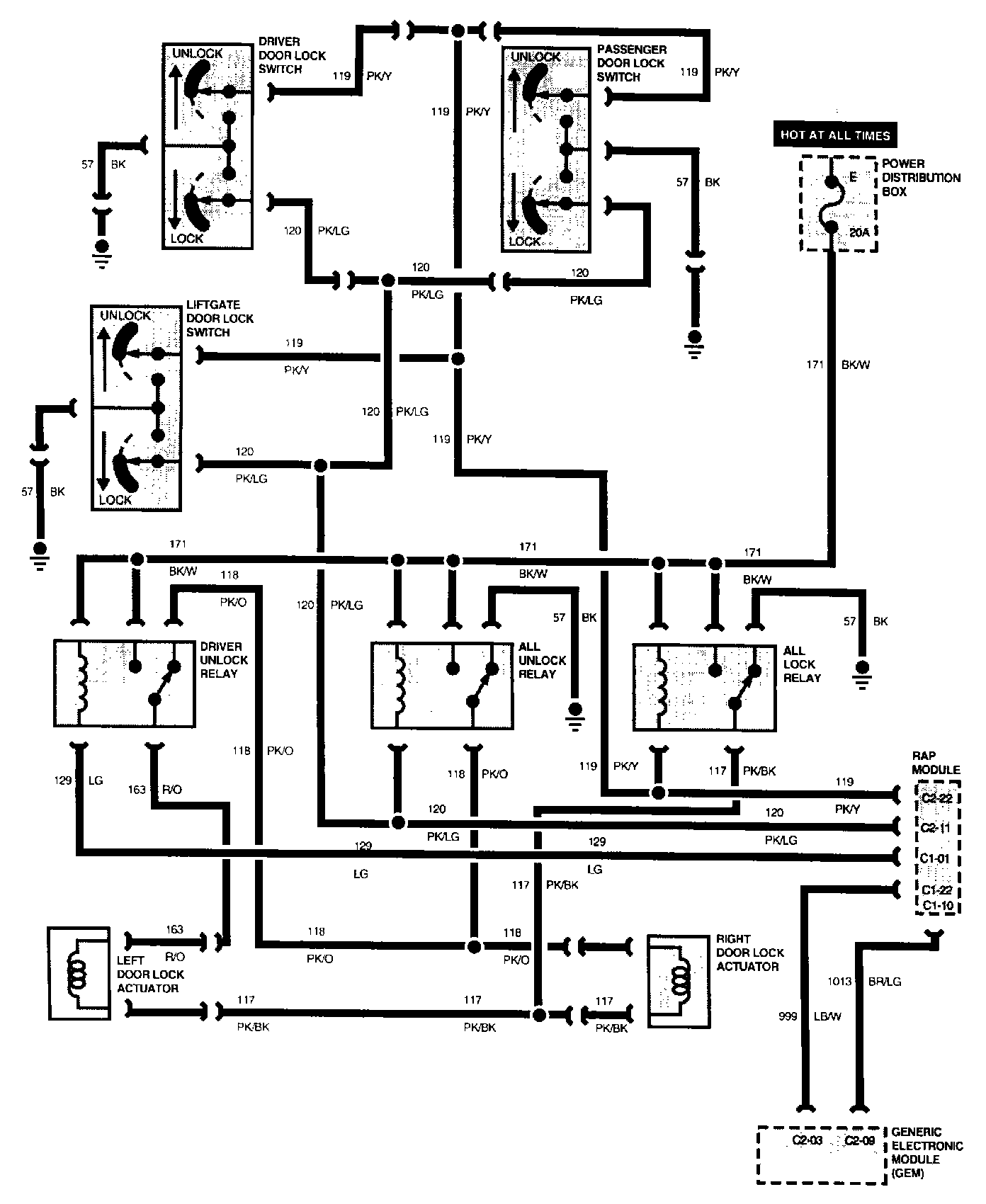
Power Locks With Remote Keyless Entry:





Power Locks Without Remote Keyless Entry: