Curiosii for ever!
: Car repair manuals for everyone.
Home
>>
Ford Truck
>>
1996
>>
Explorer 2WD V8-302 5.0L
>>
Repair and Diagnosis
>>
Diagrams
>>
Electrical Diagrams
>>
Wiper and Washer Systems
>>
System Diagram
>>
Electrical Schematics
>>
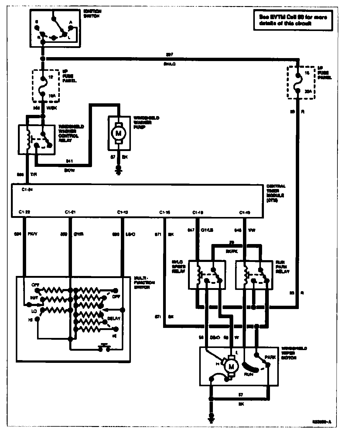
Wiper/Washer System
>>
With Central Timer Module
With Central Timer Module