Curiosii for ever!
: Car repair manuals for everyone.
Home
>>
Ford Truck
>>
1996
>>
Explorer 2WD V8-302 5.0L
>>
Repair and Diagnosis
>>
Diagrams
>>
Connector Views
>>
Power Window Switch
>>
Master Window Control Switch
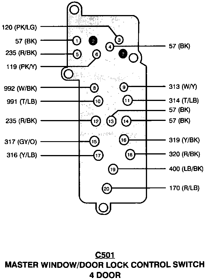
Master Window Control Switch
Master Window Control Switch - 4 Door (Part 1 Of 2):
Master Window Control Switch - 4 Door (Part 2 Of 2):