Curiosii for ever!
: Car repair manuals for everyone.
Home
>>
Ford Truck
>>
1995
>>
Windstar V6-232 3.8L
>>
Repair and Diagnosis
>>
Diagrams
>>
Exploded Views
>>
Automatic Transmission/Transaxle
Automatic Transmission/Transaxle
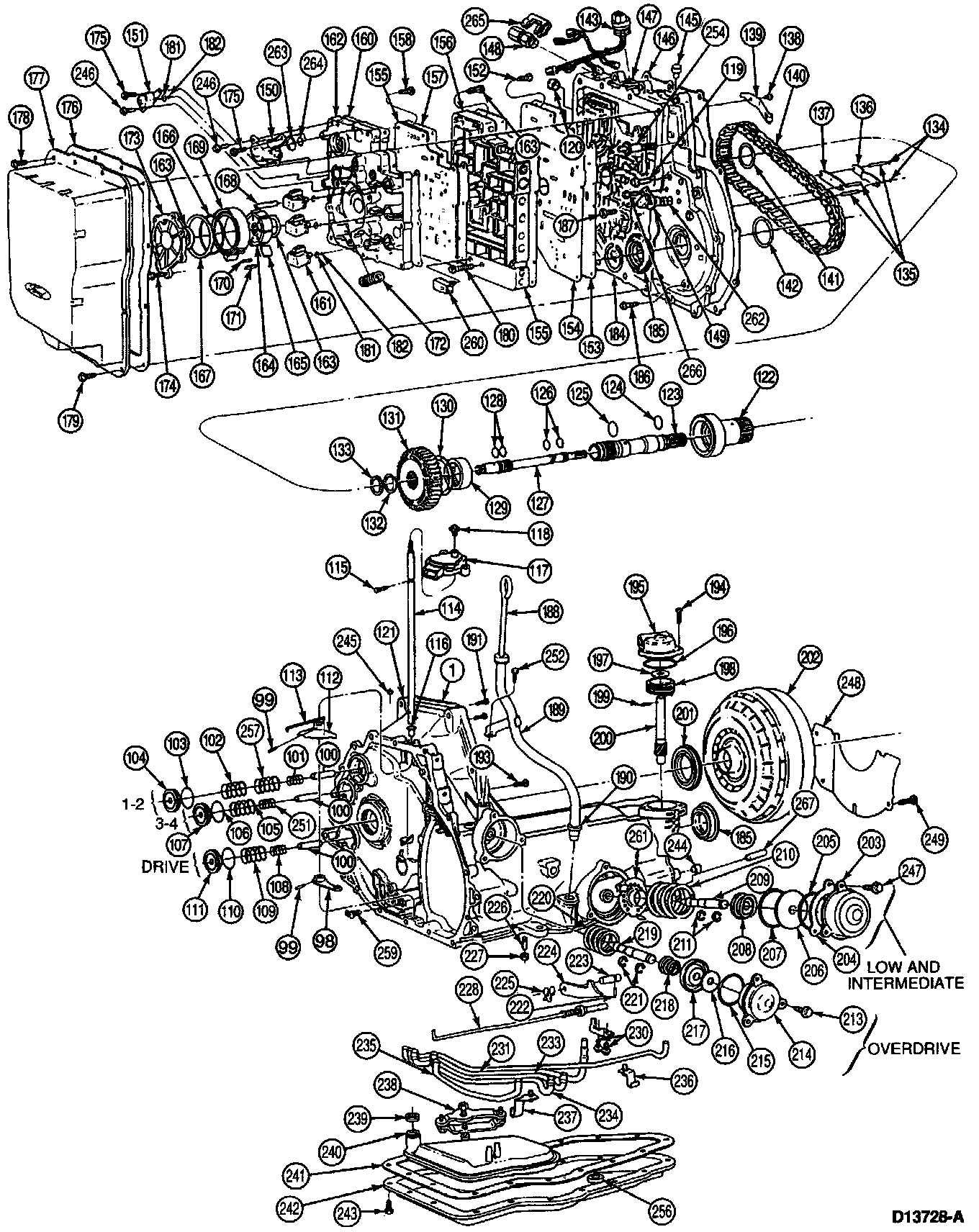
AX4S Transaxle:
AX4S Transaxle:
AX4S Transaxle (Legend):
AX4S Transaxle (Legend):
AX4S Transaxle (Legend):
AX4S Transaxle (Legend):
AX4S Transaxle (Legend):