Curiosii for ever!
: Car repair manuals for everyone.
Home
>>
Ford Truck
>>
1993
>>
E 250 Van V8-7.3L DSL
>>
Repair and Diagnosis
>>
Relays and Modules
>>
Relays and Modules - Powertrain Management
>>
Relays and Modules - Glow Plug System
>>
Glow Plug Control Module
>>
Locations
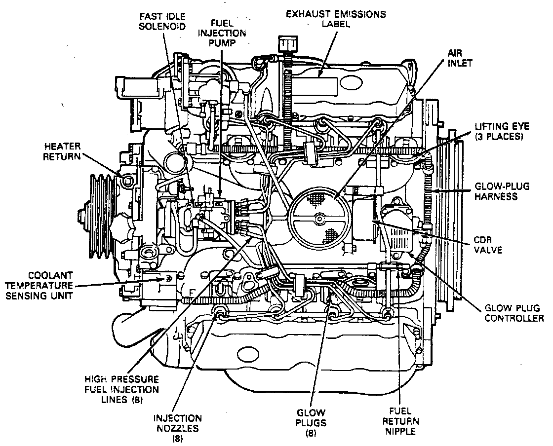
Glow Plug Control Module: Locations
Engine: