Curiosii for ever!
: Car repair manuals for everyone.
Home
>>
Ford Truck
>>
1992
>>
Ranger 2WD V6-177 2.9L
>>
Repair and Diagnosis
>>
Powertrain Management
>>
Computers and Control Systems
>>
Relays and Modules - Computers and Control Systems
>>
Engine Control Module
>>
Locations
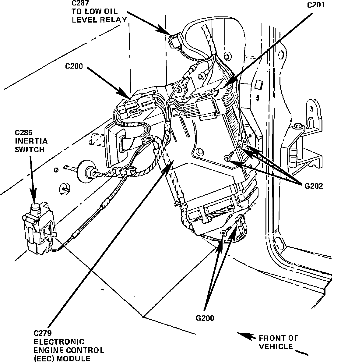
Engine Control Module: Locations
Engine Control Assembly (ECA):