Curiosii for ever!: Car repair manuals for everyone.

Control Module HVAC: Service and Repair

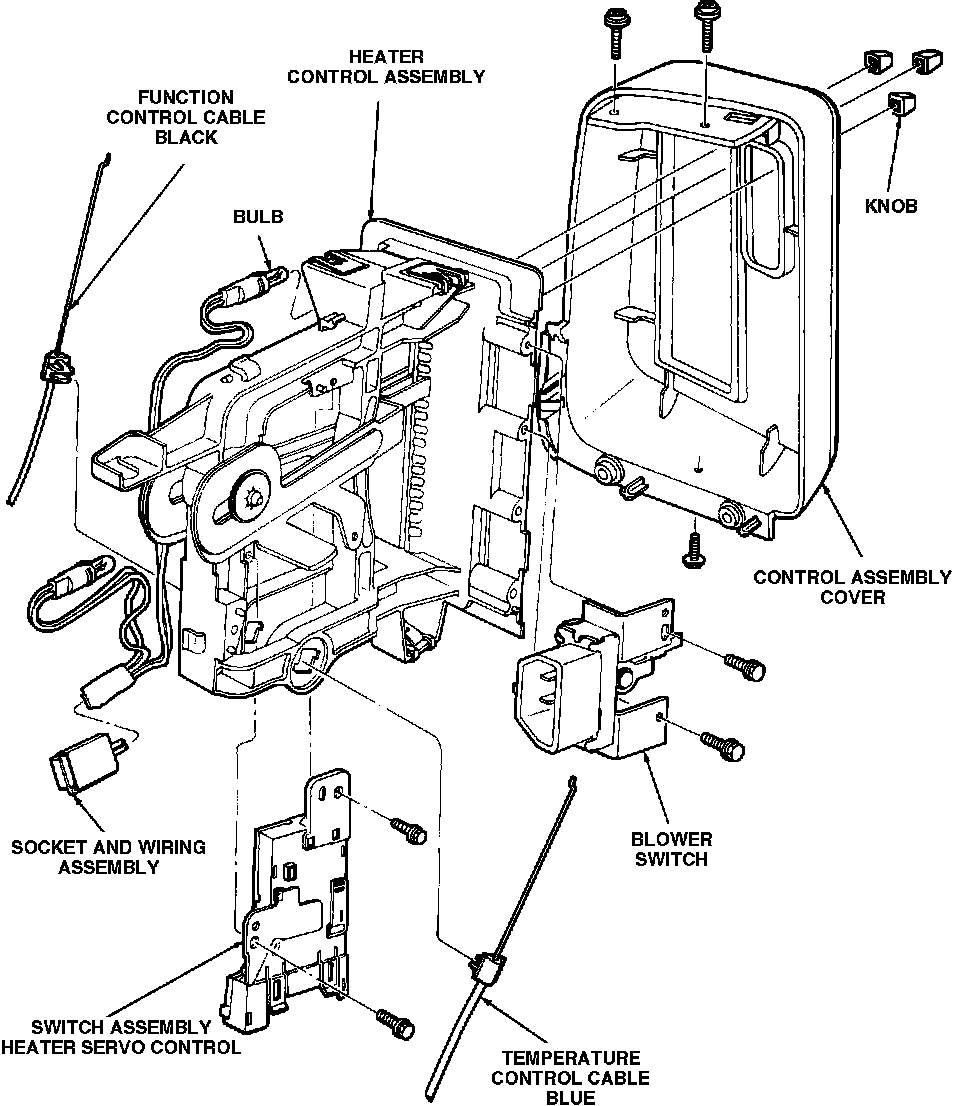
Fig. 11 Control assembly & electrical connectors:






1. Disconnect battery ground cable.
2. Remove instrument cluster housing cover.
3. Remove control assembly attaching screws, Fig. 11.
4. Pull control assembly away from instrument panel and disconnect all electrical connectors.
5. Using suitable pliers, carefully release function control cable from control bracket, then remove control assembly from vehicle.
6. Reverse procedure to install.