Curiosii for ever!
: Car repair manuals for everyone.
Home
>>
Eagle
>>
1995
>>
Vision V6-201 3.3L
>>
Repair and Diagnosis
>>
Windows and Glass
>>
Windows
>>
Diagrams
>>
Electrical Diagrams
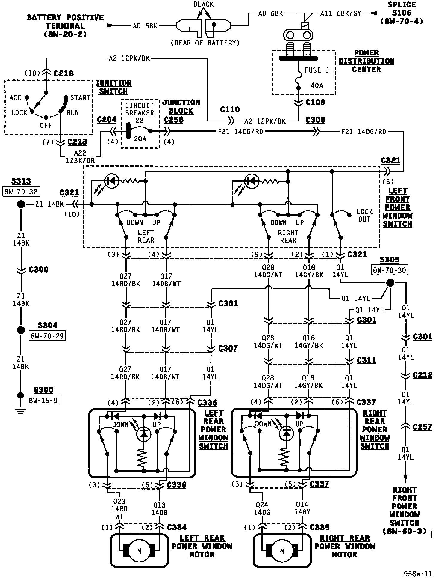
Electrical Diagrams
Power Windows (Part 1 Of 2):
Power Windows (Part 2 Of 2):
NOTE:
To view sheets referred to in these diagrams, see
Diagram Information and Instructions/Complete Body and Chassis Diagrams
.