Curiosii for ever!
: Car repair manuals for everyone.
Home
>>
Eagle
>>
1995
>>
Vision V6-201 3.3L
>>
Repair and Diagnosis
>>
Powertrain Management
>>
Transmission Control Systems
>>
Diagrams
>>
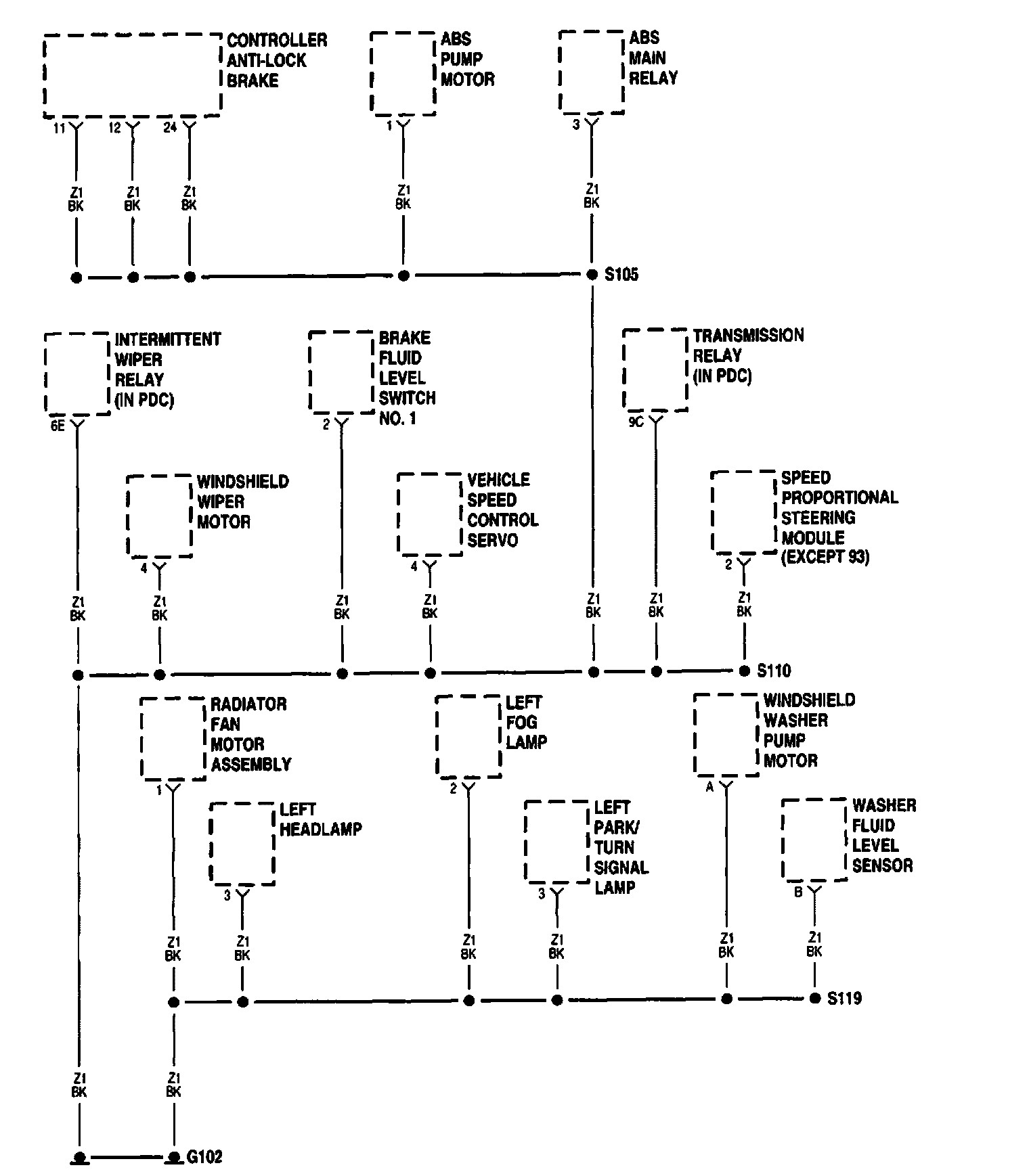
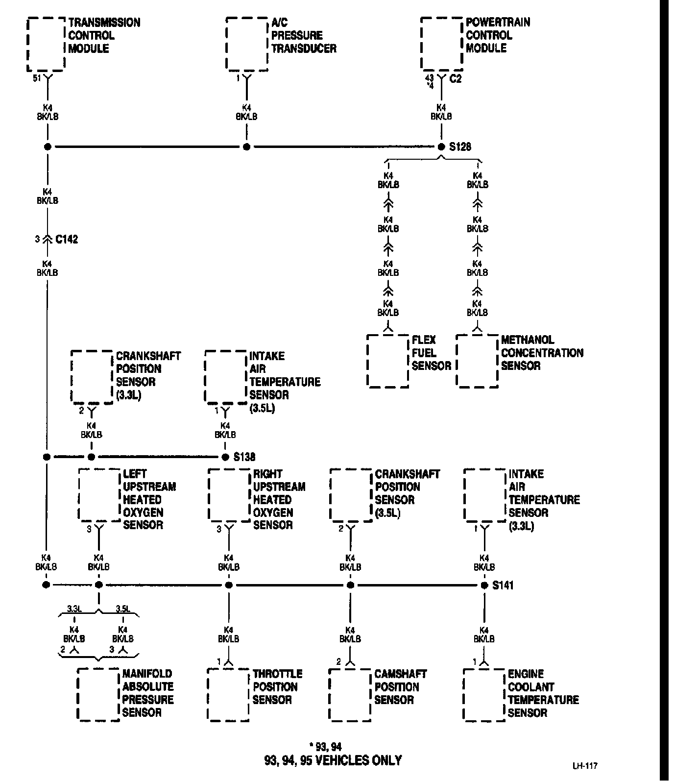
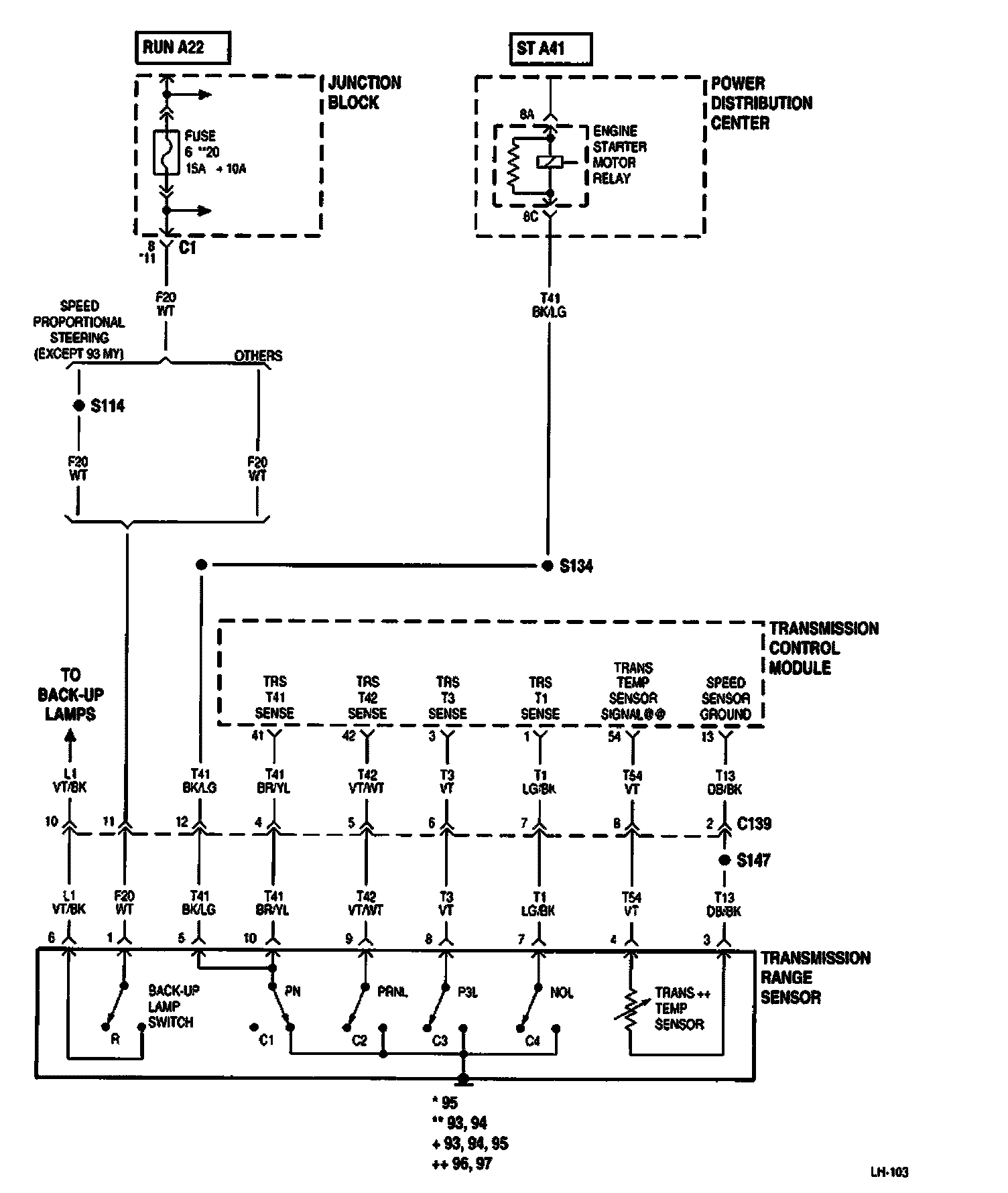
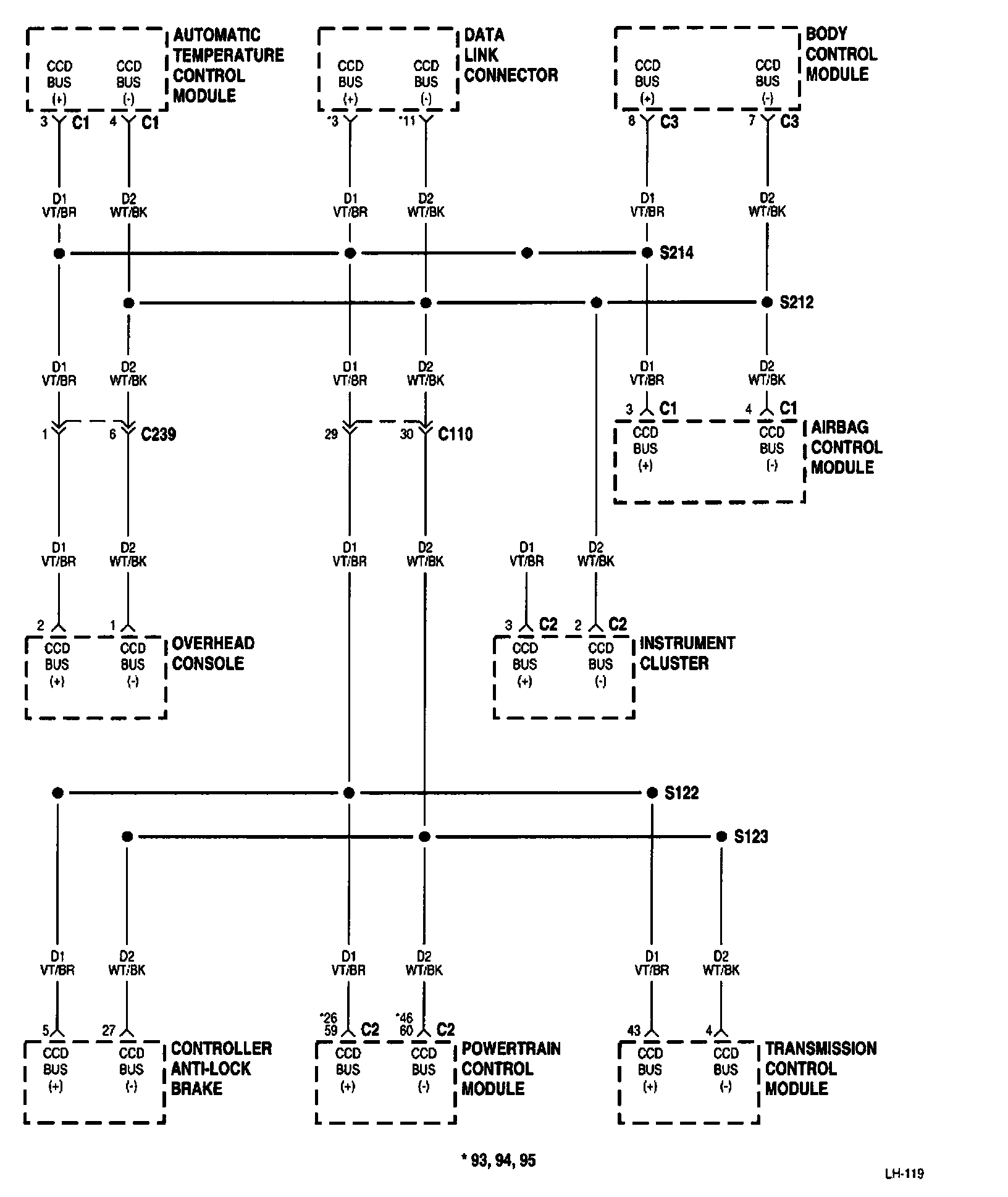
Electrical Diagrams
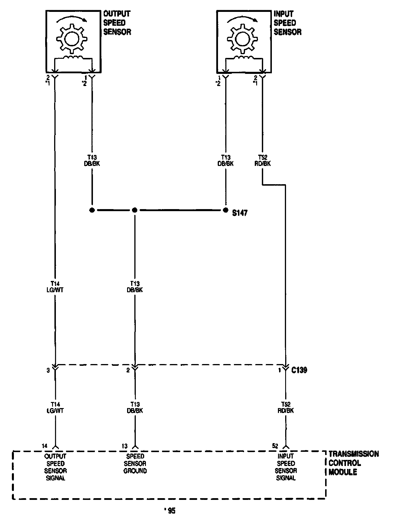
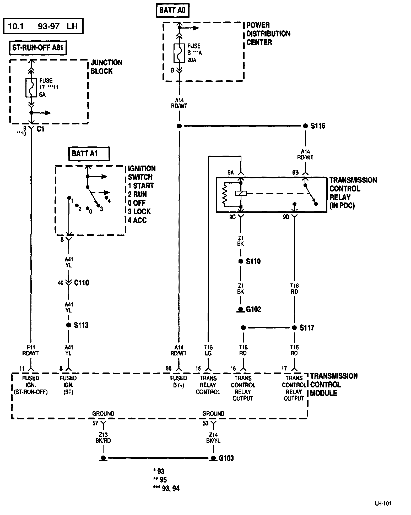
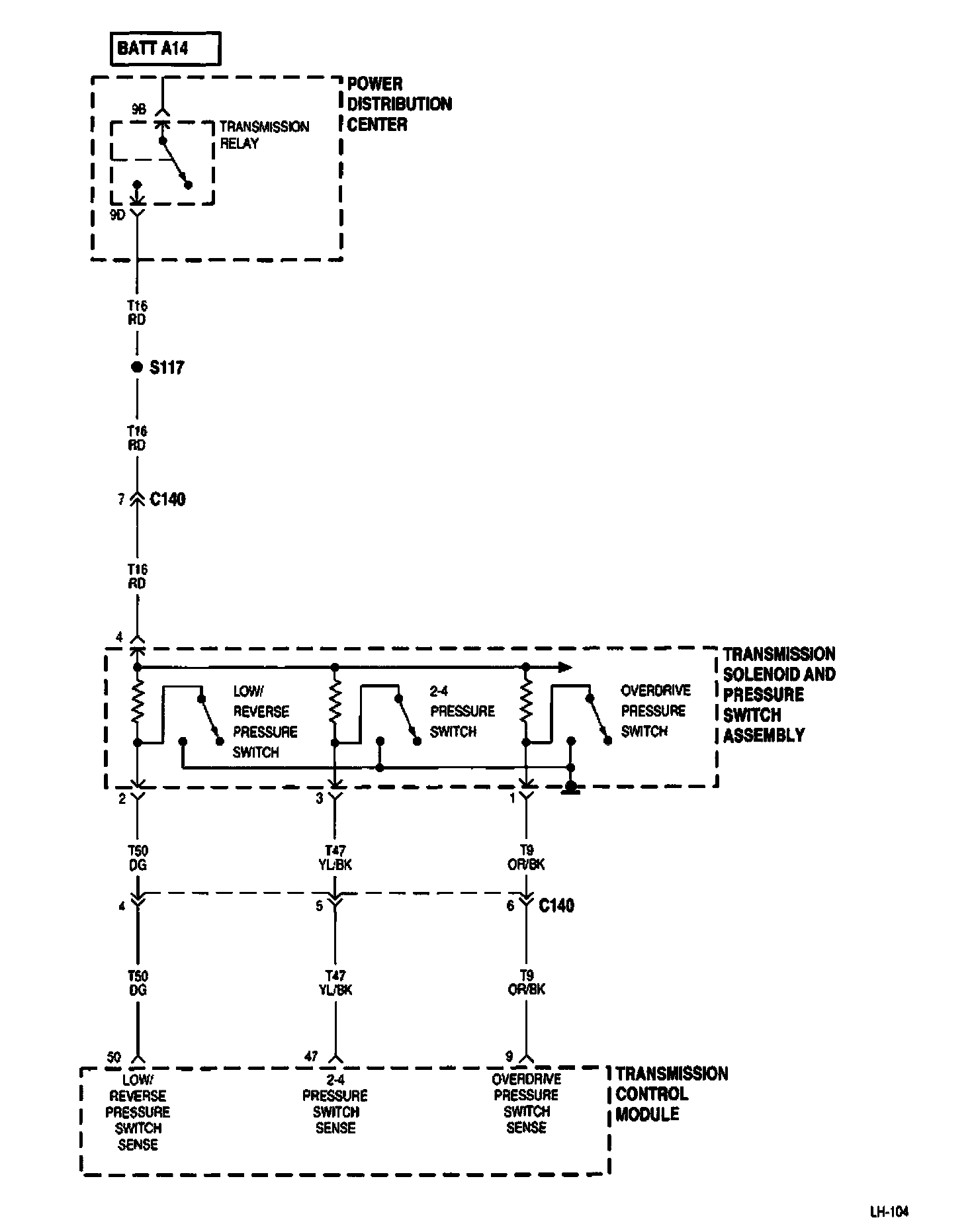
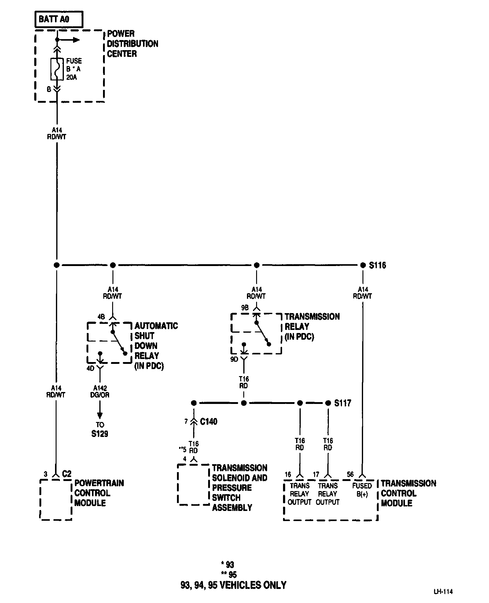
Electrical Diagrams