Curiosii for ever!
: Car repair manuals for everyone.
Home
>>
Eagle
>>
1995
>>
Vision V6-201 3.3L
>>
Repair and Diagnosis
>>
Locations
>>
Connector Locations
>>
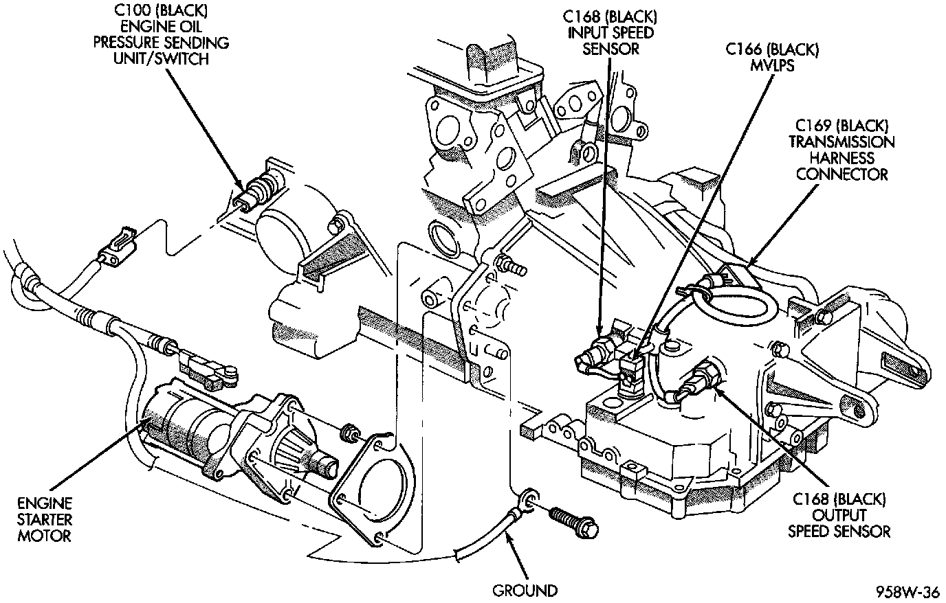
Figure 6
Figure 6
Transmission Connections: