Curiosii for ever!
: Car repair manuals for everyone.
Home
>>
Eagle
>>
1995
>>
Vision V6-201 3.3L
>>
Repair and Diagnosis
>>
Diagrams
>>
Electrical Diagrams
>>
Cooling System
>>
System Diagram
System Diagram
Air Conditioning/Heater Without Automatic Temperature Control:
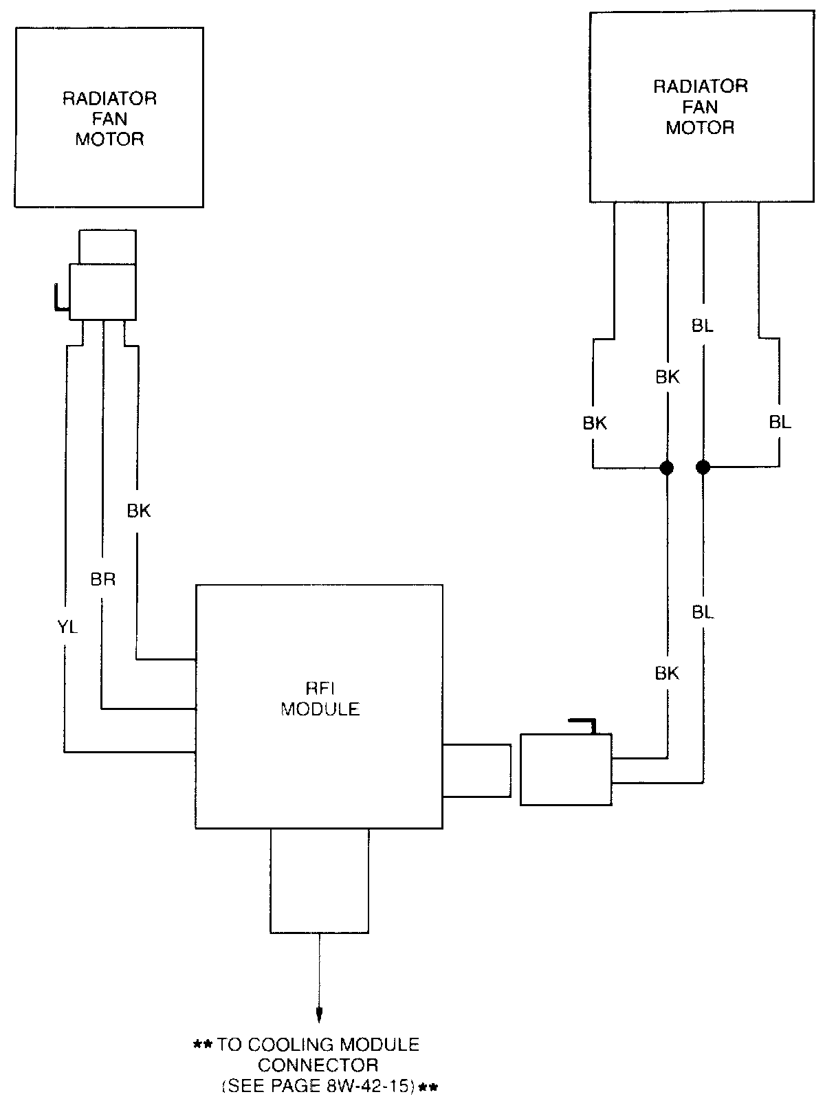
8w-42-15a - Radiator Fan Motor/RFI Module:
Air Conditioning/Heater: