Electrical Diagrams
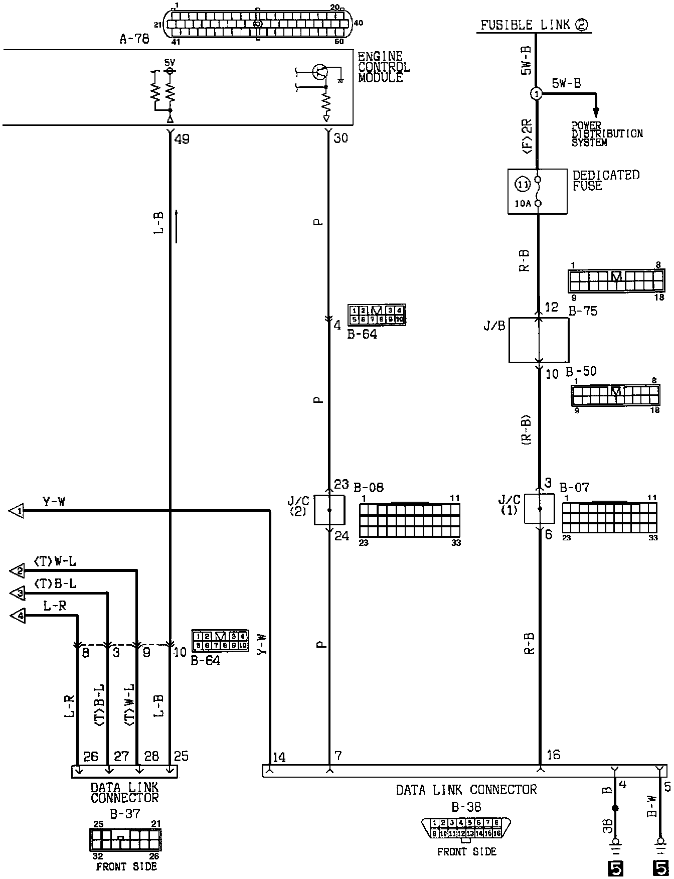
ELC 4-Speed Automatic Transaxle (Part 1 Of 6):
ELC 4-Speed Automatic Transaxle (Part 2 Of 6):
ELC 4-Speed Automatic Transaxle (Part 3 Of 6):
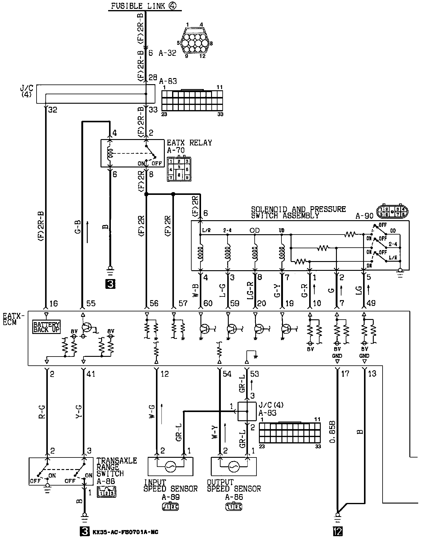
ELC 4-Speed Automatic Transaxle (Part 4 Of 6):
ELC 4-Speed Automatic Transaxle (Part 5 Of 6):
ELC 4-Speed Automatic Transaxle (Part 6 Of 6):