Curiosii for ever!
: Car repair manuals for everyone.
Home
>>
Eagle
>>
1995
>>
Talon AWD L4-1997cc 2.0L DOHC
>>
Repair and Diagnosis
>>
Diagrams
>>
Connector Views
>>
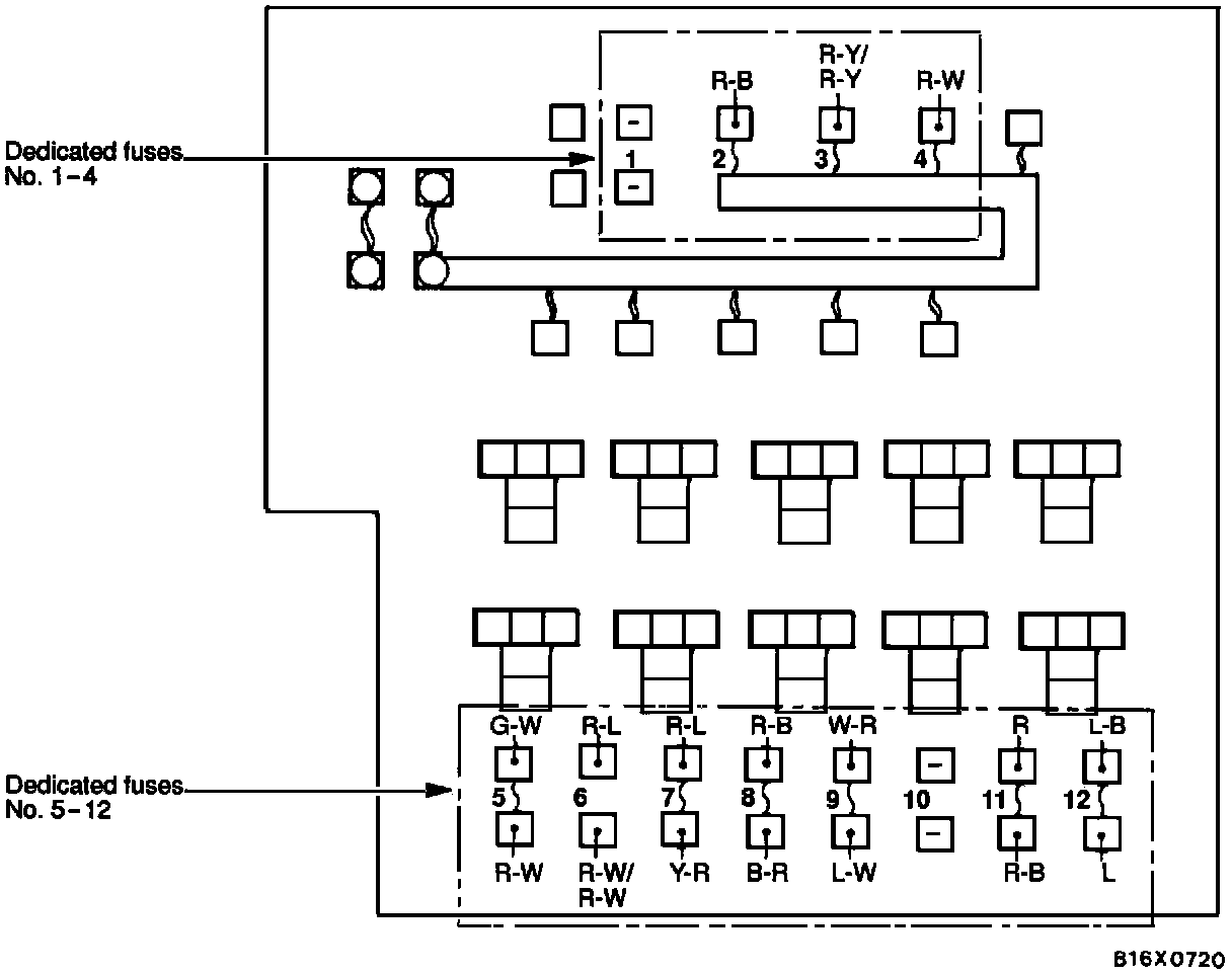
Fuse Block
Fuse Block
Dedicated Fuses (Relay Box In Engine Compartment):
Dedicated Fuses (Relay Box In Engine Compartment):
Dedicated Fuses (Interior Relay Box):
Multi Purpose Fuse (In Junction Block):