Curiosii for ever!: Car repair manuals for everyone.

Evaporator Core: Service and Repair

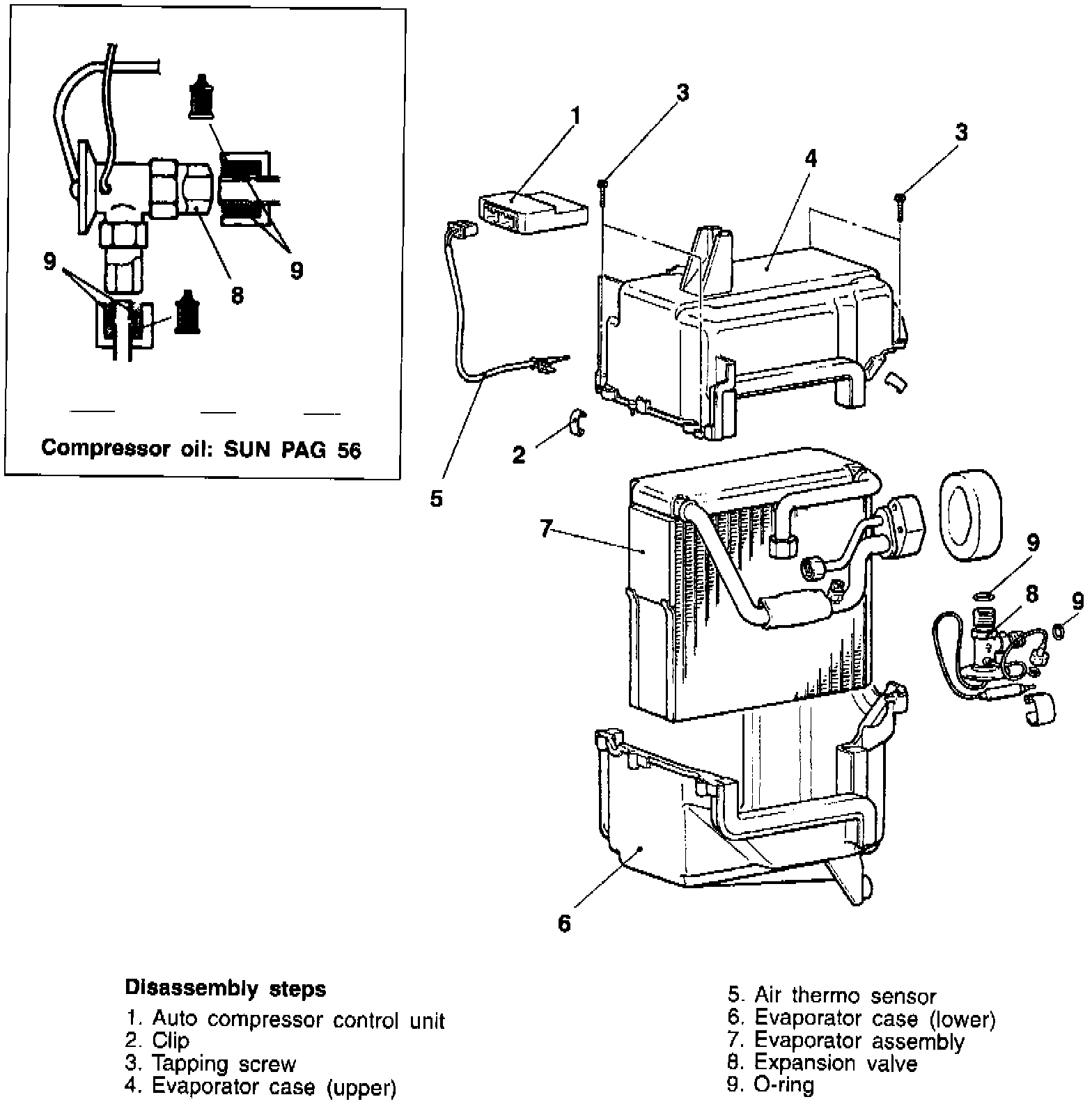
Fig. 10 Evaporator Core Replacement (part 1 Of 2):




Fig. 10 Evaporator Core Replacement (part 2 Of 2):




1. Discharge air conditioning system using suitable recovery system.
2. Remove and disassemble evaporator housing in numbered sequence shown, noting following:

a. Remove evaporator housing clips using a suitable flat blade screwdriver.

4. Reverse procedure to install.