Curiosii for ever!: Car repair manuals for everyone.

EGR Temperature Sensor - Manual Revisions

NO: 08-61-94

GROUP: Electrical

DATE: Oct. 28, 1994

SUBJECT:
Service Manual Revision - EGR Temperature Sensor

MODELS:
1994 (BD) Laser/Talon

This Technical Service Bulletin Contains revised Service Manual Pages. The revisions are highlighted with **ASTERISKS**.

















Please insert these pages into the appropriate Service Manual.

MANUAL PUBLICATION PAGE CHANGE

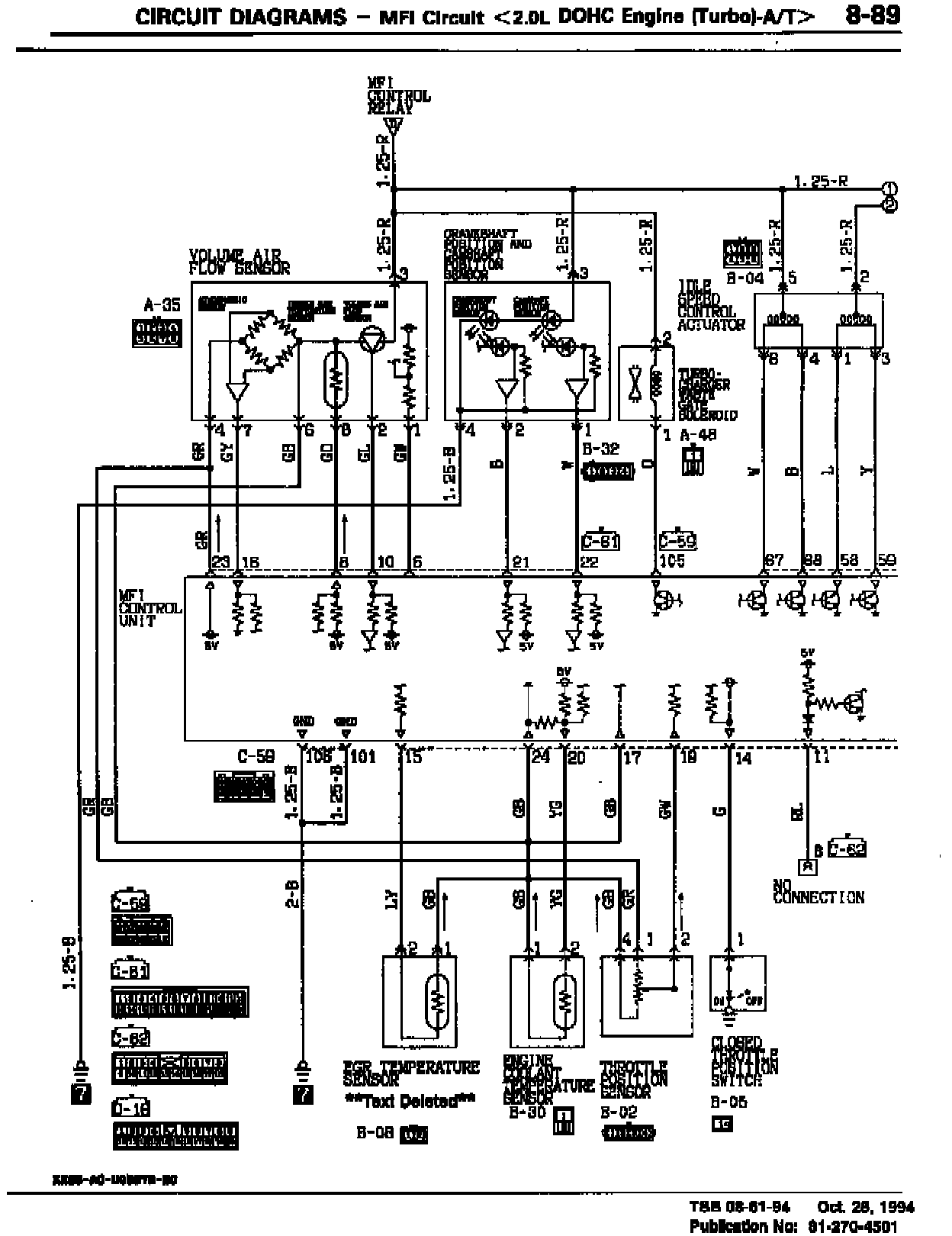
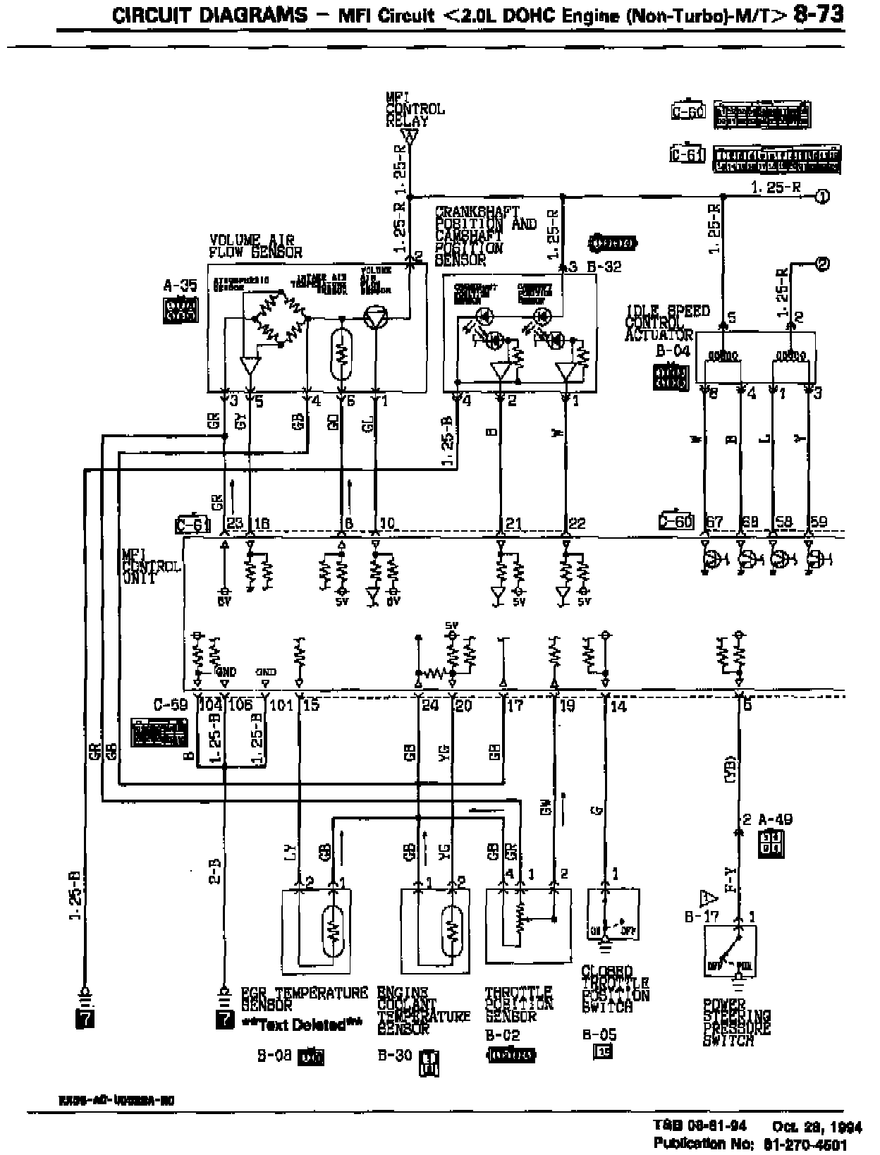
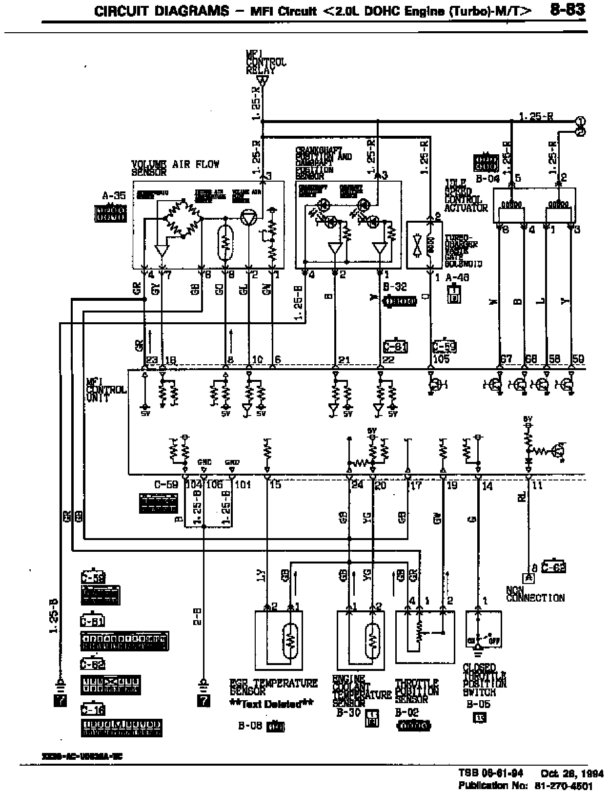
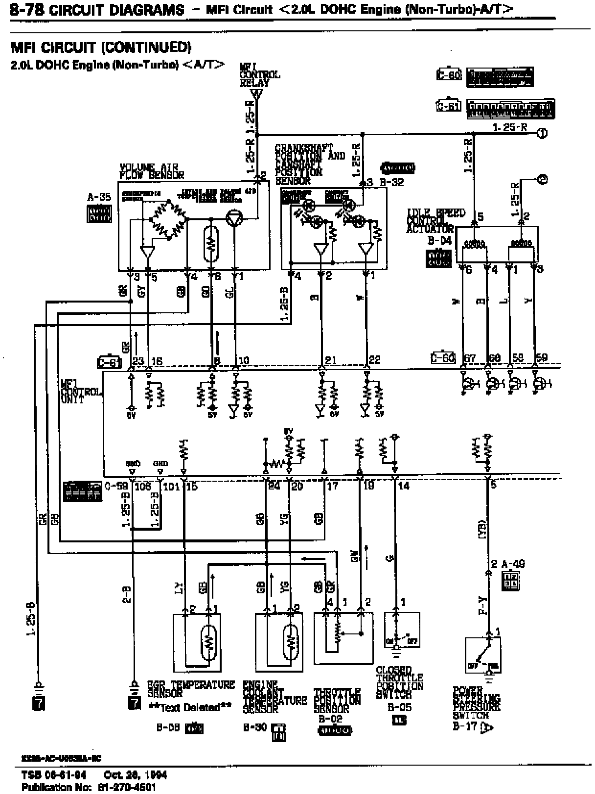
1994 Laser/Talon 81-270-4501 8-43, EGR Temperature
8-73, Sensor Information
8-78, and Call Outs
8-83, Corrected.
& 8-89

POLICY: Information Only

Attachments