Curiosii for ever!
: Car repair manuals for everyone.
Home
>>
Eagle
>>
1994
>>
Talon FWD L4-1753cc 1.8L SOHC
>>
Repair and Diagnosis
>>
Diagrams
>>
Exploded Views
>>
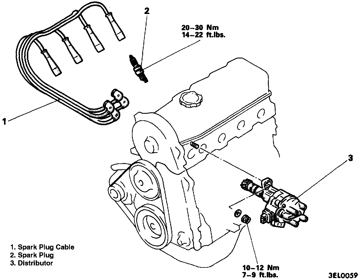
Ignition System
>>
System Diagram
System Diagram
Ignition System Removal And Installation: