Curiosii for ever!: Car repair manuals for everyone.

Test 8 - Sensor Signal Output Testing









TOP DEAD CENTER (TDC) SENSOR TEST


To test the Top Dead Center (TDC) Sensor located in the distributor, proceed as follows.



OSCILLOSCOPE TESTING PROCEDURE:


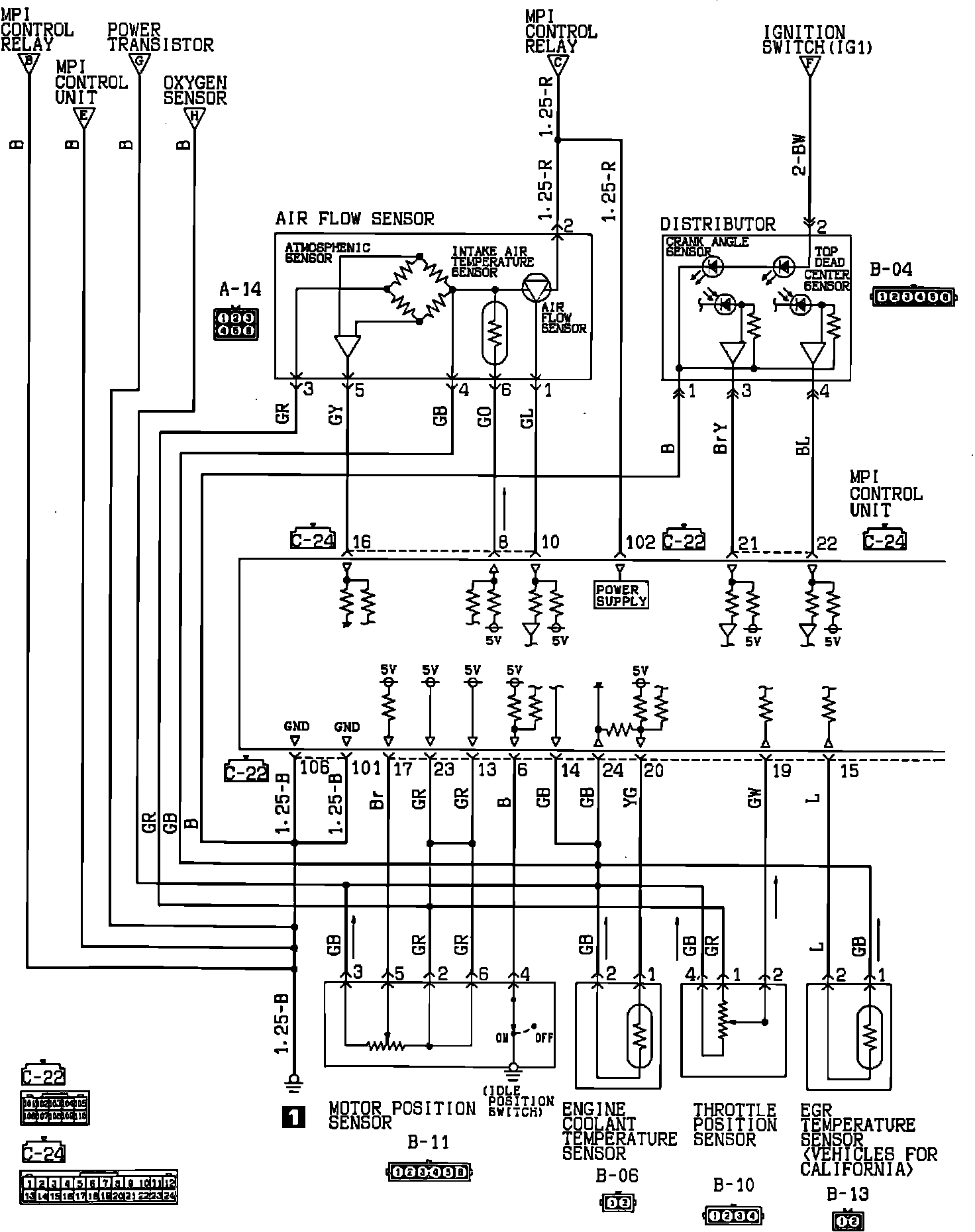
Wiring Diagram:




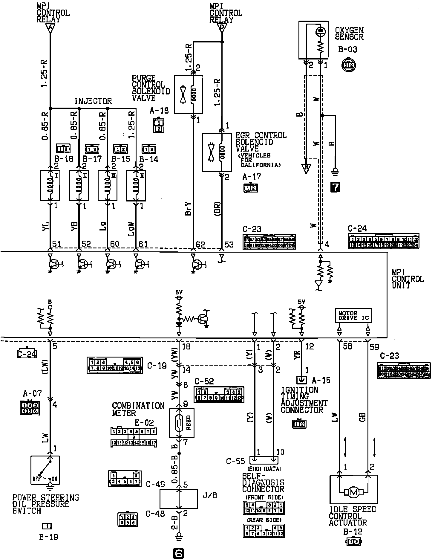
Wiring Diagram:






1. Connect test leads from the oscilloscope to the #4 terminal of the distributor connector and run the engine at idle speed.

Scope Test Waveform--single Rotation Of The Distributor:






Check the waveform and compare it to the diagram shown.

VOLTAGE TESTING PROCEDURE:

1. Connect a voltmeter between terminal 1 and 4 of the crank angle sensor connector.
Terminal 4: Top Dead Center (TDC) signal
Terminal 1: Sensor ground

2. Measure the output voltage of the terminals while cranking the engine.
Standard Approximate Value

Terminal 4: 2.0 - 2.5v


3. If voltmeter readings are not as specified replace distributor assembly, distributor components are not replaceable individually. If voltmeter readings are as specified see Crank Angle Sensor check below.




CRANK ANGLE SENSOR TEST



To test the Crank Angle Sensor located in the distributor, proceed as follows.

OSCILLOSCOPE TESTING PROCEDURE:




1. Connect test leads from the oscilloscope to the #3 terminal of the sensor connector and crank/run the engine at idle speed.

Scope Pattern:






Check the waveform and compare it to the diagram shown.
If scope pattern is not as depicted in image, continue with the rest of the test procedures before replacing the assembly.


VOLTAGE TESTING PROCEDURE:

1. Connect a voltmeter between terminal 1 and 2 of the crank angle sensor connector.
Terminal 3: Crank angle signal
Terminal 1: Sensor ground

2. Measure the output voltage of the terminals while cranking the engine.
Standard Approximate Values
Terminal 1: 1.8 - 2.5v (needle fluctuates)

3. If voltmeter readings are not as specified replace distributor assembly, distributor components are not replaceable individually. If voltmeter readings are as specified, check top dead center sensor.