Curiosii for ever!
: Car repair manuals for everyone.
Home
>>
Eagle
>>
1989
>>
Premier L4-150 2.5L
>>
Repair and Diagnosis
>>
Diagrams
>>
Electrical Diagrams
>>
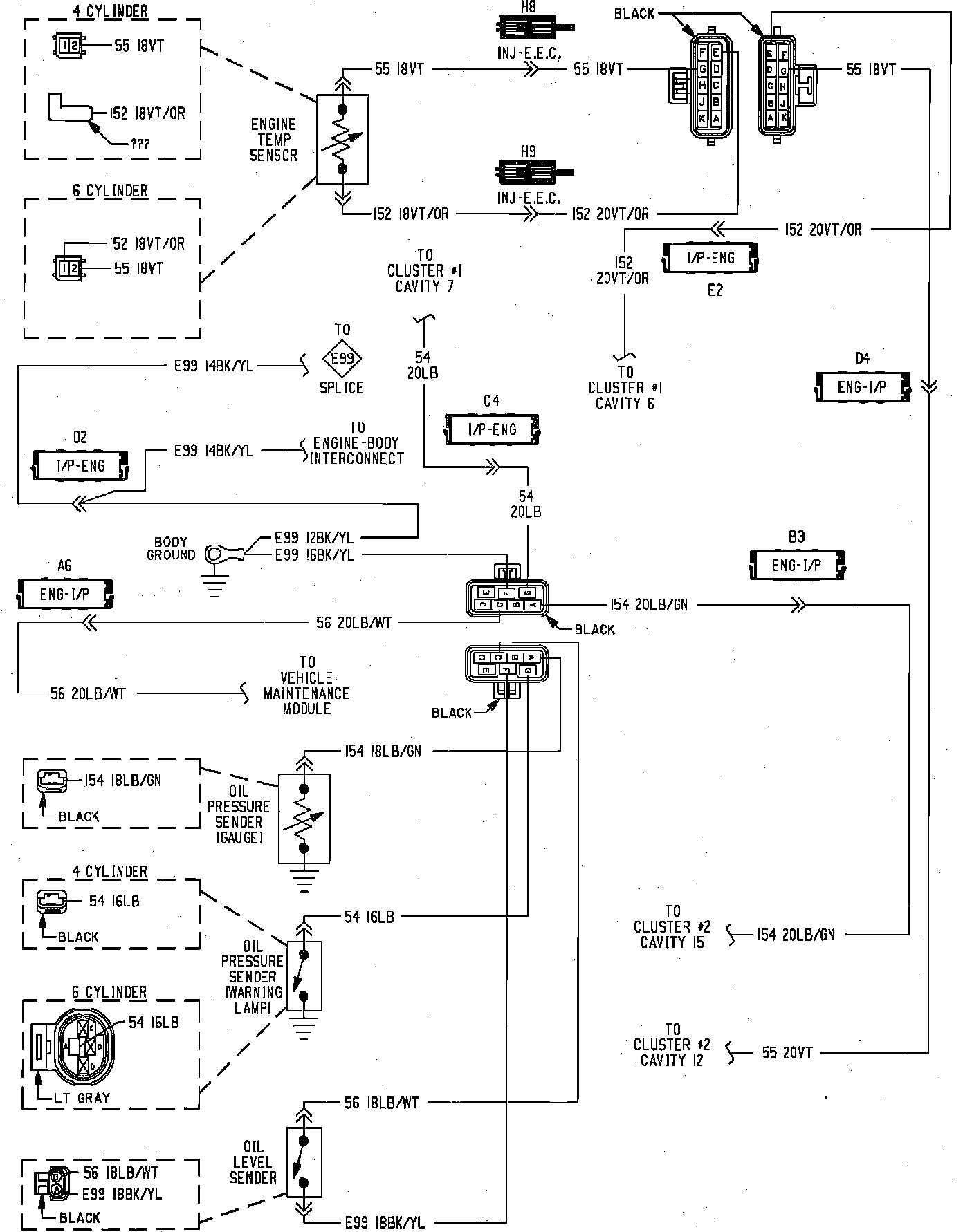
Temperature Warning Lamp/Indicator, Engine Cooling
Temperature Warning Lamp/Indicator, Engine Cooling
Oil Pressure & Temperature System: