Curiosii for ever!: Car repair manuals for everyone.

Starter Motor: Service and Repair

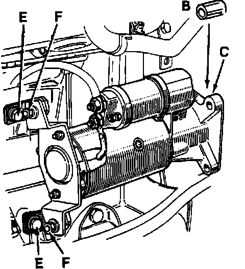
Fig. 1 Starter Motor Installation:





1. Disconnect battery ground cable.
2. Remove starter motor mounting bracket attaching bolts, then the mounting bracket.
3. Disconnect starter solenoid electrical connectors.
4. Remove starter motor rear mounting bolts (E).
5. Remove remaining starter mounting bolts (C).
6. Remove starter and locating bushing (B).
7. Reverse procedure to install.