Curiosii for ever!
: Car repair manuals for everyone.
Home
>>
Eagle
>>
1989
>>
Medallion L4-2165cc 2.2L
>>
Repair and Diagnosis
>>
Diagrams
>>
Electrical Diagrams
>>
Powertrain Management
>>
System Diagram
>>
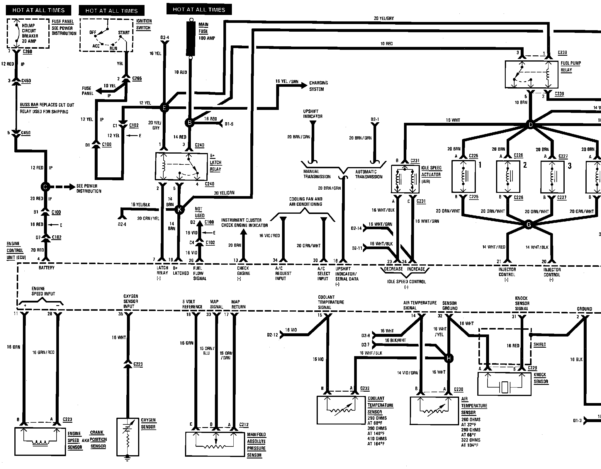
System Schematics
System Schematics
��d2Fuel Injection Engine Controls Wiring Circuit: