Curiosii for ever!
: Car repair manuals for everyone.
Home
>>
Eagle
>>
1988
>>
Medallion L4-2165cc 2.2L
>>
Repair and Diagnosis
>>
Powertrain Management
>>
Diagrams
>>
Electrical Diagrams
>>
System Schematics
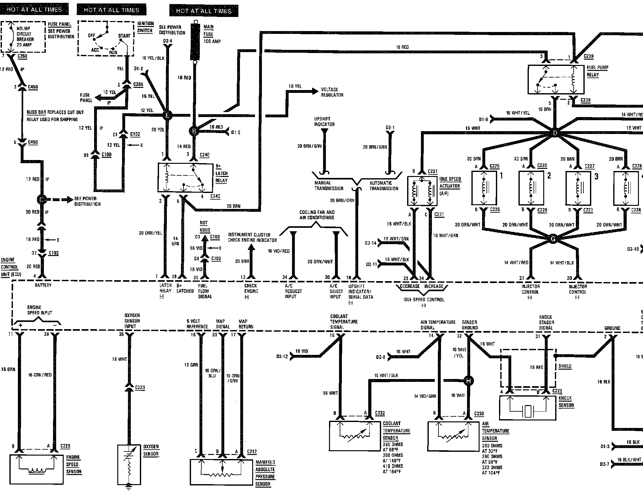
System Schematics
�Bd2Fuel Injection Engine Controls Wiring Circuit: