Curiosii for ever!: Car repair manuals for everyone.

Cabin Air Filter / Purifier: Service and Repair



Particulate Air Filter

Removal

Warning: Disable the airbag system before attempting any steering wheel, steering column or instrument panel component diagnosis or service. Disconnect and isolate the negative battery (ground) cable, then wait two minutes for the airbag system capacitor to discharge before performing further diagnosis or service. This is the only sure way to disable the airbag system. Failure to follow these instructions may result in accidental airbag deployment and possible serious or fatal injury.


1. Disconnect and isolate the negative battery cable.

2. Remove the passenger side silencer panel.






3. Remove the passenger side console closeout (2).






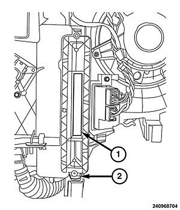
4. Disengage the retaining tab (2) and remove the filter cover (1).






5. Remove the particulate air filter (2) from the right side of the HVAC housing (3) by pulling the filter element straight out of the housing. Take note of the air filter position indicators (1).

Installation

Note: The particulate air filter is labeled with an arrow to indicate air flow direction through the filter. Make sure to properly install the particulate air filter. Failure to properly install the filter will result in the need to replace the filter sooner than required by design.






1. Install the particulate air filter (2) into the right side of the HVAC housing (3). Make note of the air filter position indicators (1).






2. Install the particulate air filter cover (1) onto the right side of the HVAC housing.

3. Engage the retaining tab (2) into the HVAC housing.






4. Install the passenger side console closeout (2).

5. Install the passenger side silencer panel.

6. Connect the negative battery cable.